LEMON Manuals: Even more car manuals for everyone
Home >> Toyota >> 2012 >> Matrix Base, Automatic Trans >> Repair and Diagnosis >> External Pages >> Different car >> Section 365 (OEM System Circuits) >> Ignition (TMC Made) >> Notes

Ignition (TMC Made): Notes

WARNING: This page is about a different car, the 2012 Toyota Corolla. However, it is still accessible from the selected car via links, so may be relevant.
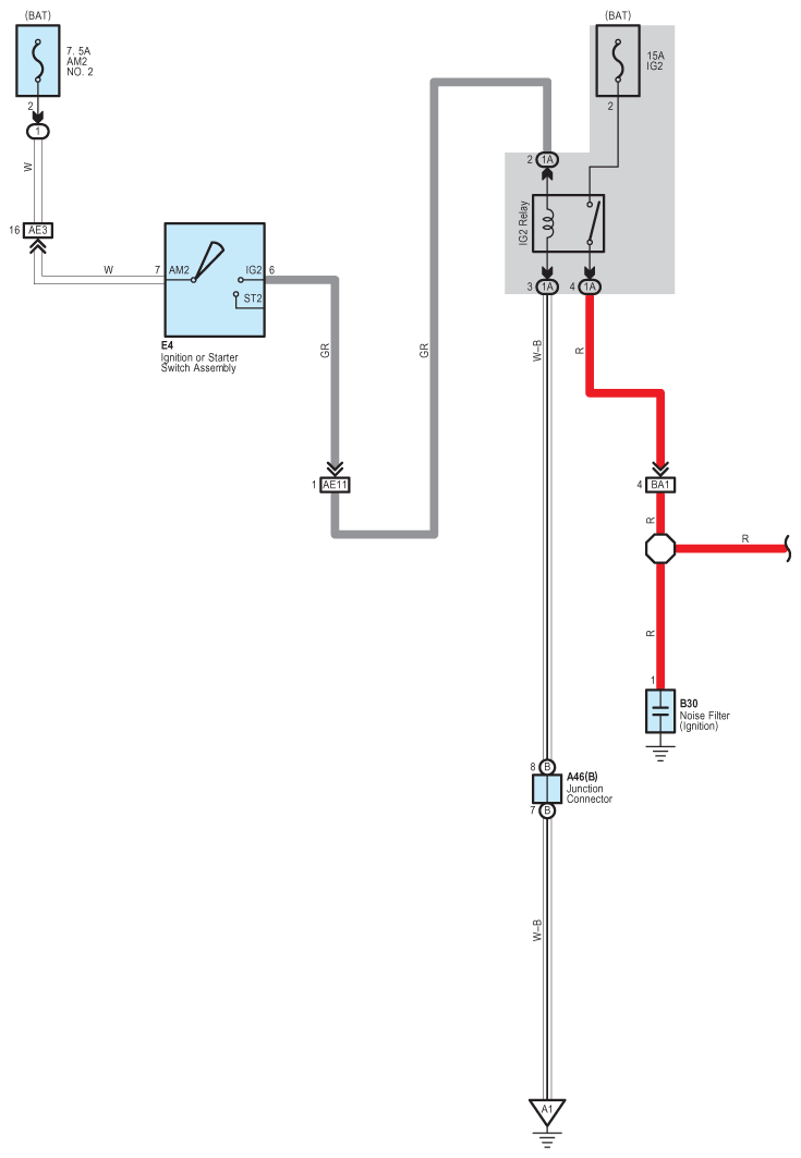
Fig 1: Ignition System Wiring Diagram (TMC Made; 1 Of 2)
G08842724Courtesy of © TOYOTA, LICENSE AGREEMENT TMS1002
Fig 2: Ignition System Wiring Diagram (TMC Made; 2 Of 2)
G08842725Courtesy of © TOYOTA, LICENSE AGREEMENT TMS1002