LEMON Manuals: Even more car manuals for everyone
Home >> Toyota >> 2012 >> Matrix Base, Automatic Trans >> Repair and Diagnosis >> External Pages >> Different car >> Section 365 (OEM System Circuits) >> Electronically Controlled Transmission and A/T Indicator (2ZR-FE) (Except TMC Made) >> Notes

Electronically Controlled Transmission and A/T Indicator (2ZR-FE) (Except TMC Made): Notes

WARNING: This page is about a different car, the 2012 Toyota Corolla. However, it is still accessible from the selected car via links, so may be relevant.
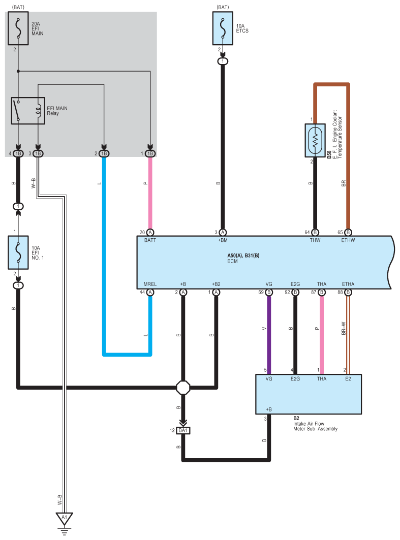
Fig 1: Electronically Controlled Transmission And A/T Indicator (2ZR-FE) System Wiring Diagram (Except TMC Made; 1 Of 6)
G08842921Courtesy of © TOYOTA, LICENSE AGREEMENT TMS1002
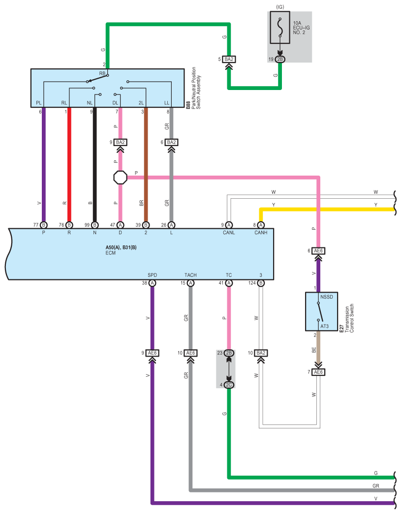
Fig 2: Electronically Controlled Transmission And A/T Indicator (2ZR-FE) System Wiring Diagram (Except TMC Made; 2 Of 6)
G08842922Courtesy of © TOYOTA, LICENSE AGREEMENT TMS1002
Fig 3: Electronically Controlled Transmission And A/T Indicator (2ZR-FE) System Wiring Diagram (Except TMC Made; 3 Of 6)
G08842923Courtesy of © TOYOTA, LICENSE AGREEMENT TMS1002
Fig 4: Electronically Controlled Transmission And A/T Indicator (2ZR-FE) System Wiring Diagram (Except TMC Made; 4 Of 6)
G08842924Courtesy of © TOYOTA, LICENSE AGREEMENT TMS1002
Fig 5: Electronically Controlled Transmission And A/T Indicator (2ZR-FE) System Wiring Diagram (Except TMC Made; 5 Of 6)
G08842925Courtesy of © TOYOTA, LICENSE AGREEMENT TMS1002
Fig 6: Electronically Controlled Transmission And A/T Indicator (2ZR-FE) System Wiring Diagram (Except TMC Made; 6 Of 6)
G08842926Courtesy of © TOYOTA, LICENSE AGREEMENT TMS1002