LEMON Manuals: Even more car manuals for everyone
Home >> Toyota >> 2012 >> Matrix Base, Automatic Trans >> Repair and Diagnosis >> External Pages >> Different car >> Section 365 (OEM System Circuits) >> Cruise Control (2AZ-FE) (Except TMC Made) >> Notes

Cruise Control (2AZ-FE) (Except TMC Made): Notes

WARNING: This page is about a different car, the 2012 Toyota Corolla. However, it is still accessible from the selected car via links, so may be relevant.
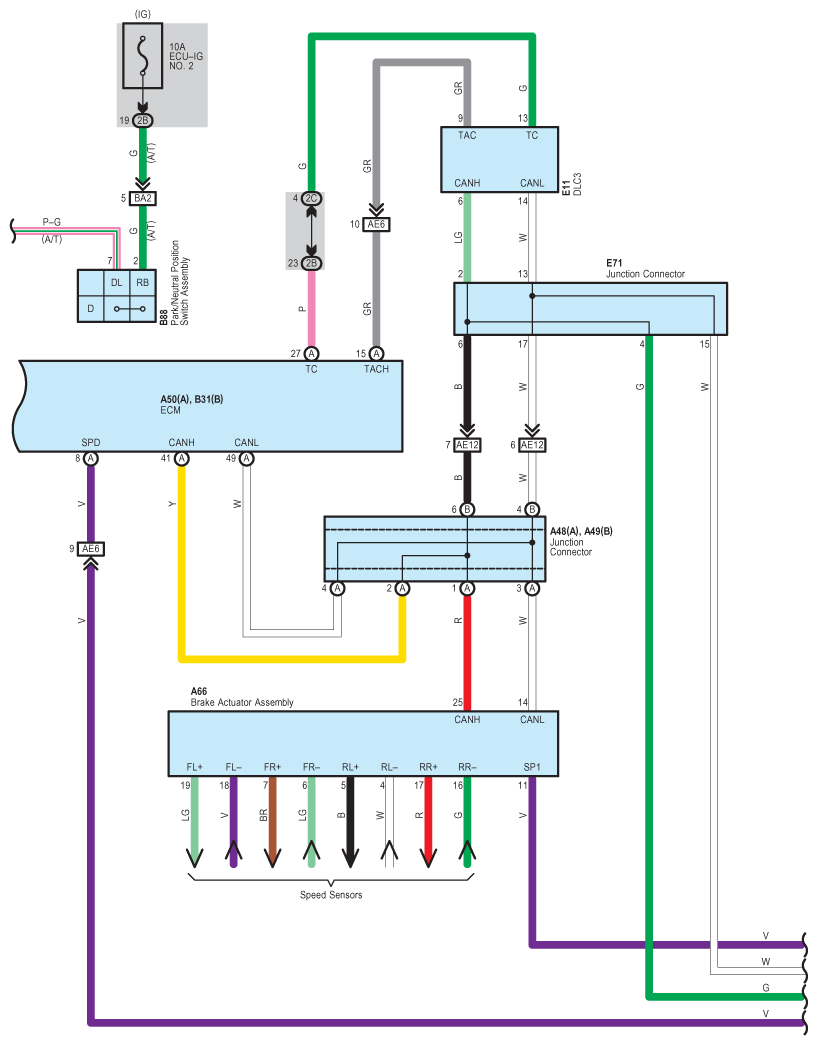
Fig 1: Cruise Control (2AZ-FE) System Wiring Diagram (Except TMC Made; 1 Of 5)
G08842955Courtesy of © TOYOTA, LICENSE AGREEMENT TMS1002
Fig 2: Cruise Control (2AZ-FE) System Wiring Diagram (Except TMC Made; 2 Of 5)
G08842956Courtesy of © TOYOTA, LICENSE AGREEMENT TMS1002
Fig 3: Cruise Control (2AZ-FE) System Wiring Diagram (Except TMC Made; 3 Of 5)
G08842957Courtesy of © TOYOTA, LICENSE AGREEMENT TMS1002
Fig 4: Cruise Control (2AZ-FE) System Wiring Diagram (Except TMC Made; 4 Of 5)
G08842958Courtesy of © TOYOTA, LICENSE AGREEMENT TMS1002
Fig 5: Cruise Control (2AZ-FE) System Wiring Diagram (Except TMC Made; 5 Of 5)
G08842959Courtesy of © TOYOTA, LICENSE AGREEMENT TMS1002