LEMON Manuals: Even more car manuals for everyone
Home >> Toyota >> 2012 >> Matrix Base, Automatic Trans >> Repair and Diagnosis >> External Pages >> Different car >> Section 365 (OEM System Circuits) >> Cooling Fan (2AZ-FE) (Except TMC Made) >> Notes

Cooling Fan (2AZ-FE) (Except TMC Made): Notes

WARNING: This page is about a different car, the 2012 Toyota Corolla. However, it is still accessible from the selected car via links, so may be relevant.
Fig 1: Cooling Fan (2AZ-FE) System Wiring Diagram (Except TMC Made; 1 Of 2)
G08843006Courtesy of © TOYOTA, LICENSE AGREEMENT TMS1002
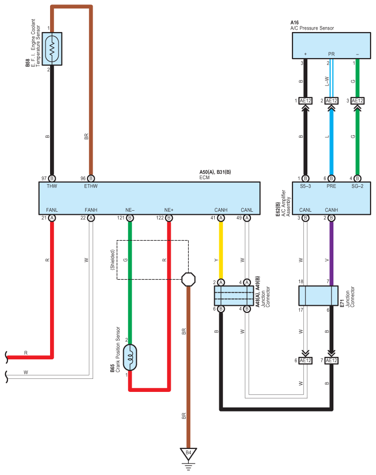
Fig 2: Cooling Fan (2AZ-FE) System Wiring Diagram (Except TMC Made; 2 Of 2)
G08843007Courtesy of © TOYOTA, LICENSE AGREEMENT TMS1002