LEMON Manuals: Even more car manuals for everyone
Home >> Toyota >> 2012 >> Matrix Base, Automatic Trans >> Repair and Diagnosis >> External Pages >> Different car >> Section 365 (OEM System Circuits) >> Combination Meter (Except TMC Made) >> Notes

Combination Meter (Except TMC Made): Notes

WARNING: This page is about a different car, the 2012 Toyota Corolla. However, it is still accessible from the selected car via links, so may be relevant.
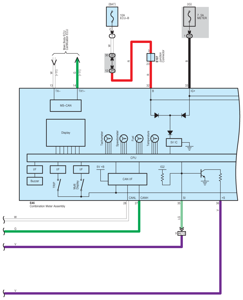
Fig 1: Combination Meter System Wiring Diagram (Except TMC Made; 1 Of 6)
G08843000Courtesy of © TOYOTA, LICENSE AGREEMENT TMS1002
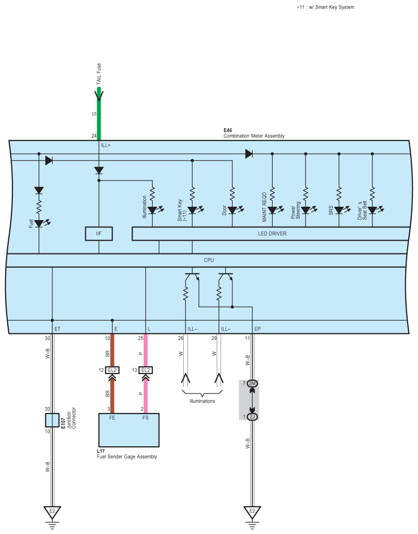
Fig 2: Combination Meter System Wiring Diagram (Except TMC Made; 2 Of 6)
G08843001Courtesy of © TOYOTA, LICENSE AGREEMENT TMS1002
Fig 3: Combination Meter System Wiring Diagram (Except TMC Made; 3 Of 6)
G08843002Courtesy of © TOYOTA, LICENSE AGREEMENT TMS1002
Fig 4: Combination Meter System Wiring Diagram (Except TMC Made; 4 Of 6)
G08843003Courtesy of © TOYOTA, LICENSE AGREEMENT TMS1002
Fig 5: Combination Meter System Wiring Diagram (Except TMC Made; 5 Of 6)
G08843004Courtesy of © TOYOTA, LICENSE AGREEMENT TMS1002
Fig 6: Combination Meter System Wiring Diagram (Except TMC Made; 6 Of 6)
G08843005Courtesy of © TOYOTA, LICENSE AGREEMENT TMS1002