LEMON Manuals: Even more car manuals for everyone
Home >> Toyota >> 2012 >> Matrix Base, Automatic Trans >> Repair and Diagnosis >> External Pages >> Different car >> Section 365 (OEM System Circuits) >> Charging (TMC Made) >> Notes

Charging (TMC Made): Notes

WARNING: This page is about a different car, the 2012 Toyota Corolla. However, it is still accessible from the selected car via links, so may be relevant.
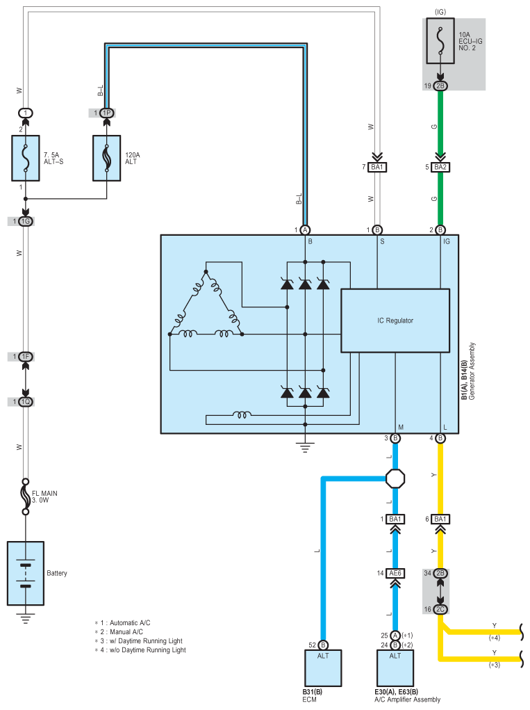
Fig 1: Charging System Wiring Diagram (TMC Made; 1 Of 2)
G08842722Courtesy of © TOYOTA, LICENSE AGREEMENT TMS1002
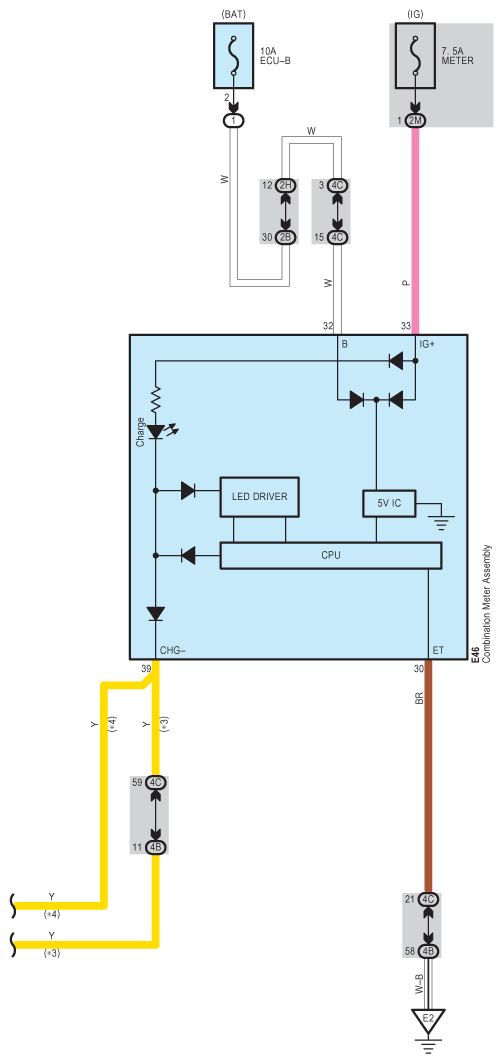
Fig 2: Charging System Wiring Diagram (TMC Made; 2 Of 2)
G08842723Courtesy of © TOYOTA, LICENSE AGREEMENT TMS1002