LEMON Manuals: Even more car manuals for everyone
Home >> Toyota >> 2012 >> Matrix Base, Automatic Trans >> Repair and Diagnosis >> External Pages >> Different car >> Section 365 (OEM System Circuits) >> Automatic Air Conditioning (TMC Made) >> Notes

Automatic Air Conditioning (TMC Made): Notes

WARNING: This page is about a different car, the 2012 Toyota Corolla. However, it is still accessible from the selected car via links, so may be relevant.
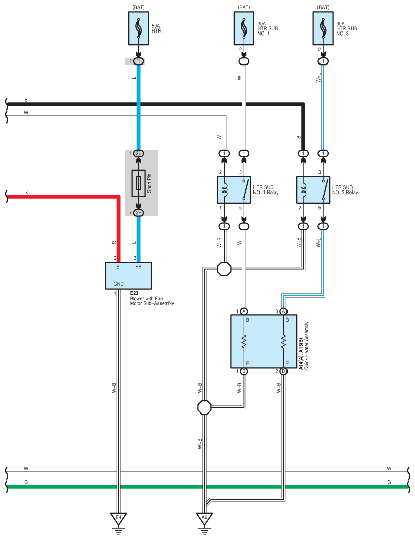
Fig 1: Automatic Air Conditioning System Wiring Diagram (TMC Made; 1 Of 6)
G08842828Courtesy of © TOYOTA, LICENSE AGREEMENT TMS1002
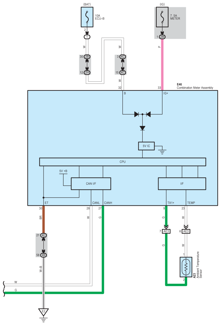
Fig 2: Automatic Air Conditioning System Wiring Diagram (TMC Made; 2 Of 6)
G08842829Courtesy of © TOYOTA, LICENSE AGREEMENT TMS1002
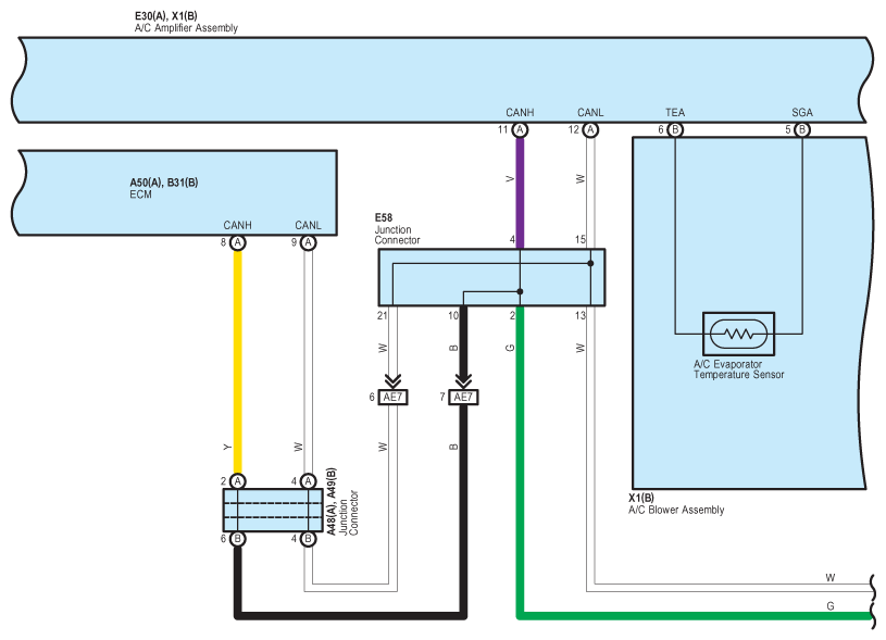
Fig 3: Automatic Air Conditioning System Wiring Diagram (TMC Made; 3 Of 6)
G08842830Courtesy of © TOYOTA, LICENSE AGREEMENT TMS1002
Fig 4: Automatic Air Conditioning System Wiring Diagram (TMC Made; 4 Of 6)
G08842831Courtesy of © TOYOTA, LICENSE AGREEMENT TMS1002
Fig 5: Automatic Air Conditioning System Wiring Diagram (TMC Made; 5 Of 6)
G08842832Courtesy of © TOYOTA, LICENSE AGREEMENT TMS1002
Fig 6: Automatic Air Conditioning System Wiring Diagram (TMC Made; 6 Of 6)
G08842833Courtesy of © TOYOTA, LICENSE AGREEMENT TMS1002