LEMON Manuals: Even more car manuals for everyone
Home >> Toyota >> 2012 >> Matrix Base, Automatic Trans >> Repair and Diagnosis >> External Pages >> Different car >> Section 365 (OEM System Circuits) >> ABS (w/o VSC) (Except TMC Made) >> Notes

ABS (w/o VSC) (Except TMC Made): Notes

WARNING: This page is about a different car, the 2012 Toyota Corolla. However, it is still accessible from the selected car via links, so may be relevant.
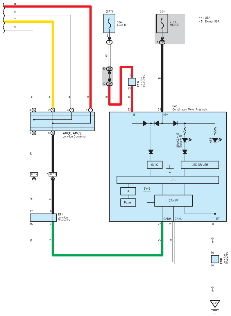
Fig 1: ABS (W/O VSC) System Wiring Diagram (Except TMC Made; 1 Of 3)
G08842931Courtesy of © TOYOTA, LICENSE AGREEMENT TMS1002
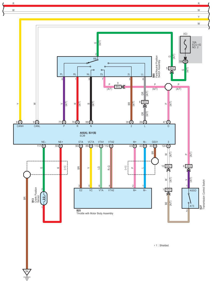
Fig 2: ABS (W/O VSC) System Wiring Diagram (Except TMC Made; 2 Of 3)
G08842932Courtesy of © TOYOTA, LICENSE AGREEMENT TMS1002
Fig 3: ABS (W/O VSC) System Wiring Diagram (Except TMC Made; 3 Of 3)
G08842933Courtesy of © TOYOTA, LICENSE AGREEMENT TMS1002