LEMON Manuals: Even more car manuals for everyone
Home >> Toyota >> 2012 >> Matrix Base, Automatic Trans >> Repair and Diagnosis >> External Pages >> Different car >> Section 365 (OEM System Circuits) >> ABS (w/ VSC), TRAC and VSC (Except TMC Made) >> Notes

ABS (w/ VSC), TRAC and VSC (Except TMC Made): Notes

WARNING: This page is about a different car, the 2012 Toyota Corolla. However, it is still accessible from the selected car via links, so may be relevant.
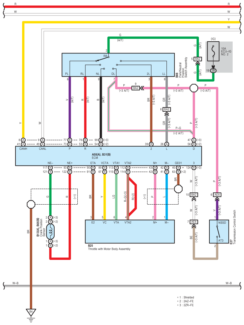
Fig 1: ABS (W/ VSC), TRAC And VSC System Wiring Diagram (Except TMC Made; 1 Of 4)
G08842927Courtesy of © TOYOTA, LICENSE AGREEMENT TMS1002
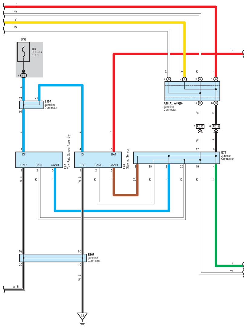
Fig 2: ABS (W/ VSC), TRAC And VSC System Wiring Diagram (Except TMC Made; 2 Of 4)
G08842928Courtesy of © TOYOTA, LICENSE AGREEMENT TMS1002
Fig 3: ABS (W/ VSC), TRAC And VSC System Wiring Diagram (Except TMC Made; 3 Of 4)
G08842929Courtesy of © TOYOTA, LICENSE AGREEMENT TMS1002
Fig 4: ABS (W/ VSC), TRAC And VSC System Wiring Diagram (Except TMC Made; 4 Of 4)
G08842930Courtesy of © TOYOTA, LICENSE AGREEMENT TMS1002