LEMON Manuals: Even more car manuals for everyone
Home >> Toyota >> 2012 >> Matrix Base, Automatic Trans >> Repair and Diagnosis >> External Pages >> Different car >> Section 296 (Intake System / Exhaust System (Service Information) (2ZR-FE)) >> Intake Manifold >> Components >> Illustration

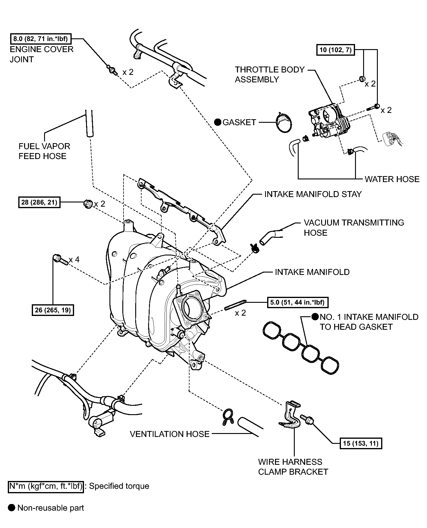
Intake Manifold: Components: Illustration

WARNING: This page is about a different car, the 2012 Toyota Corolla. However, it is still accessible from the selected car via links, so may be relevant.
Fig 1: Identifying Intake Manifold Replacement Components With Torque Specifications
GTY293343Courtesy of © TOYOTA, LICENSE AGREEMENT TMS1002