LEMON Manuals: Even more car manuals for everyone
Home >> Toyota >> 2012 >> Matrix Base, Automatic Trans >> Repair and Diagnosis >> External Pages >> Different car >> Section 233 (Lighting System (Interior) (Diagnostics & Circuit Tests)) >> Lighting System >> Circuit Tests >> Interior Light Circuit >> Wiring Diagram

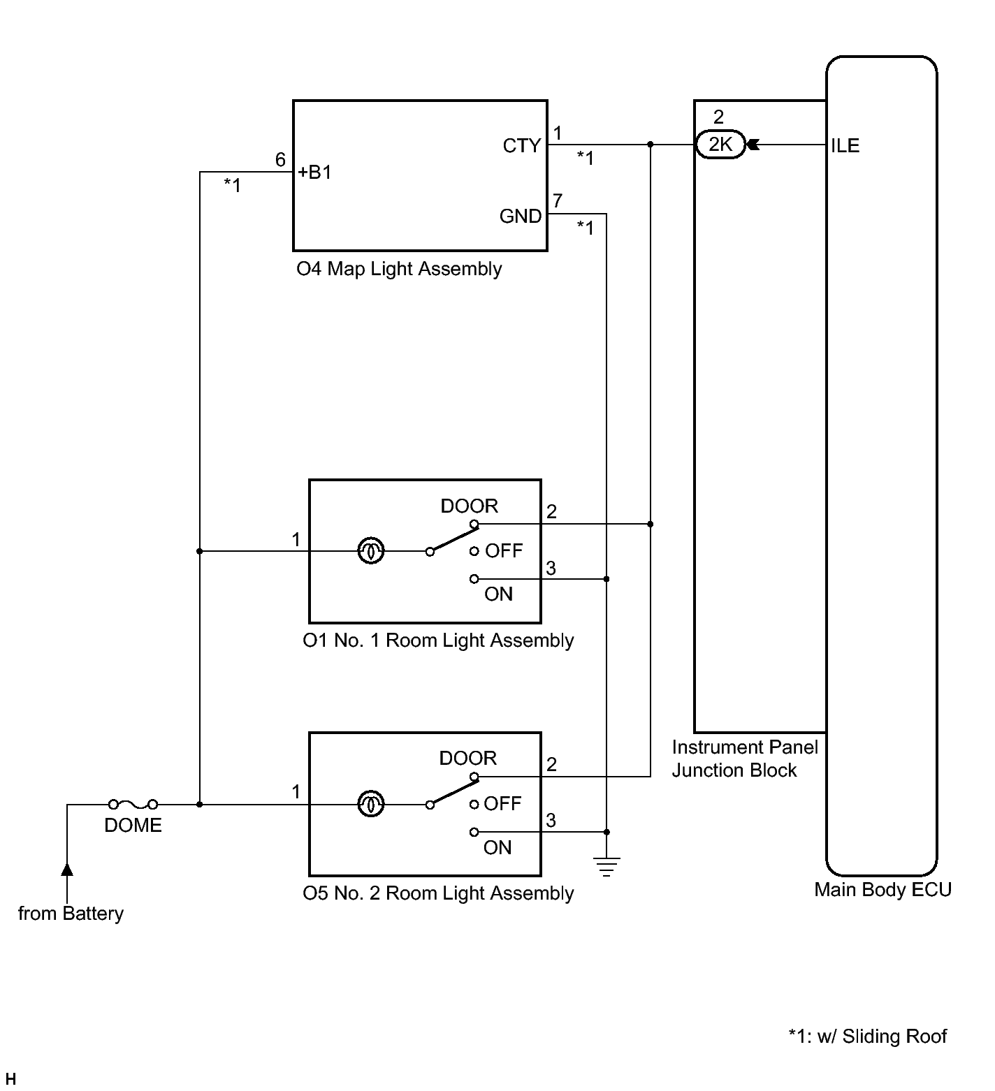
Interior Light Circuit: Wiring Diagram

WARNING: This page is about a different car, the 2011 Toyota Matrix. However, it is still accessible from the selected car via links, so may be relevant.
Fig 1: Interior Light Circuit - Wiring Diagram
GTY290552Courtesy of © TOYOTA, LICENSE AGREEMENT TMS1002