LEMON Manuals: Even more car manuals for everyone
Home >> Toyota >> 2012 >> Matrix Base, Automatic Trans >> Repair and Diagnosis >> Electrical >> Body Electrical >> OEM System Circuits >> Electronically Controlled Transmission and A/T Indicator (2ZR-FE) >> Notes

Electronically Controlled Transmission and A/T Indicator (2ZR-FE): Notes

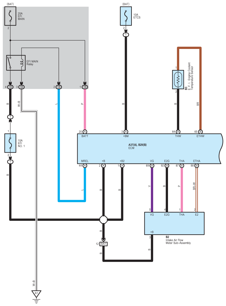
Fig 1: Electronically Controlled Transmission And A/T Indicator Wiring Diagram (2ZR-FE; 1 Of 6)
G08798932Courtesy of © TOYOTA, LICENSE AGREEMENT TMS1002
Fig 2: Electronically Controlled Transmission And A/T Indicator Wiring Diagram (2ZR-FE; 2 Of 6)
G08798933Courtesy of © TOYOTA, LICENSE AGREEMENT TMS1002
Fig 3: Electronically Controlled Transmission And A/T Indicator Wiring Diagram (2ZR-FE; 3 Of 6)
G08798934Courtesy of © TOYOTA, LICENSE AGREEMENT TMS1002
Fig 4: Electronically Controlled Transmission And A/T Indicator Wiring Diagram (2ZR-FE; 4 Of 6)
G08798935Courtesy of © TOYOTA, LICENSE AGREEMENT TMS1002
Fig 5: Electronically Controlled Transmission And A/T Indicator Wiring Diagram (2ZR-FE; 5 Of 6)
G08798936Courtesy of © TOYOTA, LICENSE AGREEMENT TMS1002
Fig 6: Electronically Controlled Transmission And A/T Indicator Wiring Diagram (2ZR-FE; 6 Of 6)
G08798937Courtesy of © TOYOTA, LICENSE AGREEMENT TMS1002