LEMON Manuals: Even more car manuals for everyone
Home >> Toyota >> 2012 >> Matrix Base, Automatic Trans >> Repair and Diagnosis >> Electrical >> Body Electrical >> OEM System Circuits >> Cruise Control (2ZR-FE) >> Notes

Cruise Control (2ZR-FE): Notes

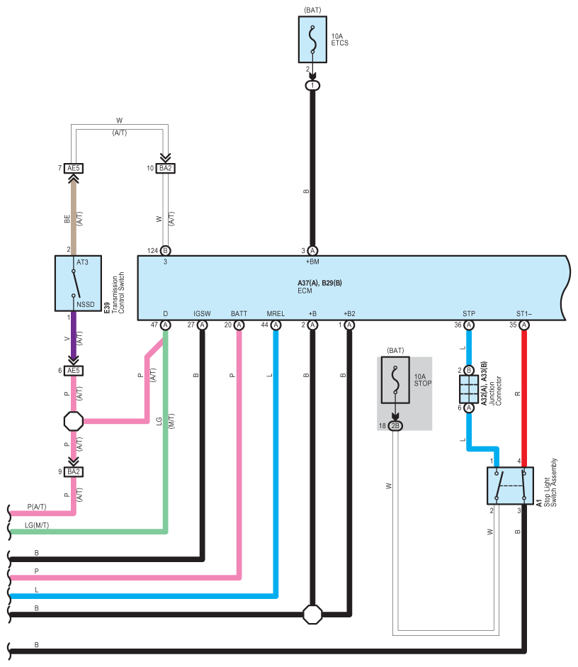
Fig 1: Cruise Control System Wiring Diagram (2ZR-FE; 1 Of 6)
G08798945Courtesy of © TOYOTA, LICENSE AGREEMENT TMS1002
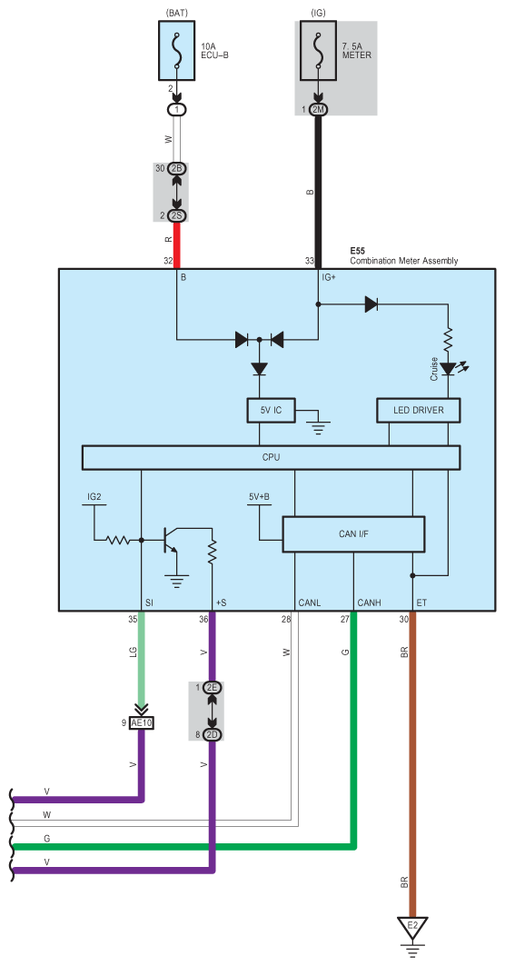
Fig 2: Cruise Control System Wiring Diagram (2ZR-FE; 2 Of 6)
G08798946Courtesy of © TOYOTA, LICENSE AGREEMENT TMS1002
Fig 3: Cruise Control System Wiring Diagram (2ZR-FE; 3 Of 6)
G08798947Courtesy of © TOYOTA, LICENSE AGREEMENT TMS1002
Fig 4: Cruise Control System Wiring Diagram (2ZR-FE; 4 Of 6)
G08798948Courtesy of © TOYOTA, LICENSE AGREEMENT TMS1002
Fig 5: Cruise Control System Wiring Diagram (2ZR-FE; 5 Of 6)
G08798949Courtesy of © TOYOTA, LICENSE AGREEMENT TMS1002
Fig 6: Cruise Control System Wiring Diagram (2ZR-FE; 6 Of 6)
G08798950Courtesy of © TOYOTA, LICENSE AGREEMENT TMS1002