LEMON Manuals: Even more car manuals for everyone
Home >> Toyota >> 2012 >> Matrix Base, Automatic Trans >> Repair and Diagnosis >> Electrical >> Body Electrical >> OEM System Circuits >> ABS, TRAC and VSC >> Notes

ABS, TRAC and VSC: Notes

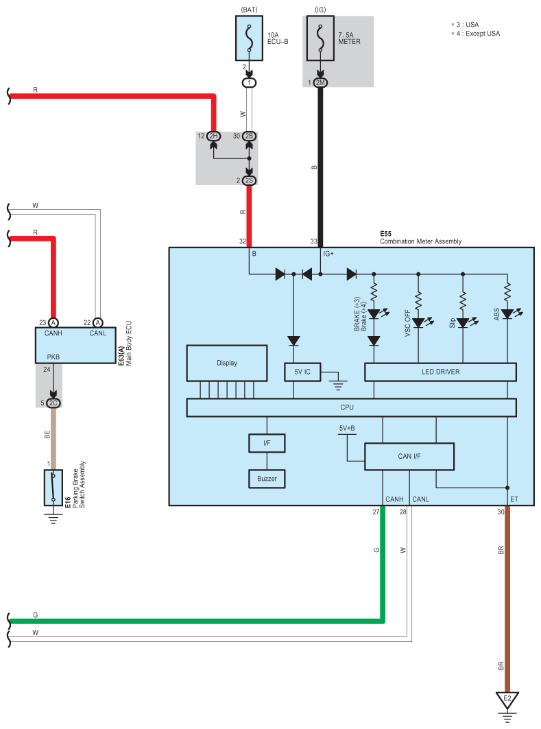
Fig 1: ABS, TRAC And VSC Wiring Diagram (1 Of 6)
G08798951Courtesy of © TOYOTA, LICENSE AGREEMENT TMS1002
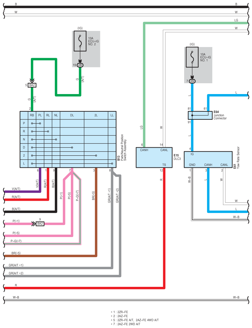
Fig 2: ABS, TRAC And VSC Wiring Diagram (2 Of 6)
G08798952Courtesy of © TOYOTA, LICENSE AGREEMENT TMS1002
Fig 3: ABS, TRAC And VSC Wiring Diagram (3 Of 6)
G08798953Courtesy of © TOYOTA, LICENSE AGREEMENT TMS1002
Fig 4: ABS, TRAC And VSC Wiring Diagram (4 Of 6)
G08798954Courtesy of © TOYOTA, LICENSE AGREEMENT TMS1002
Fig 5: ABS, TRAC And VSC Wiring Diagram (5 Of 6)
G08798955Courtesy of © TOYOTA, LICENSE AGREEMENT TMS1002
Fig 6: ABS, TRAC And VSC Wiring Diagram (6 Of 6)
G08798956Courtesy of © TOYOTA, LICENSE AGREEMENT TMS1002