LEMON Manuals: Even more car manuals for everyone
Home >> Toyota >> 2012 >> Avalon Base >> Repair and Diagnosis (Single Page) >> Steering >> Steering Column >> Steering Lock System (Diagnostic Codes & Circuit Tests) >> Steering Lock System >> Circuit Tests >> Power Source Circuit >> Wiring Diagram

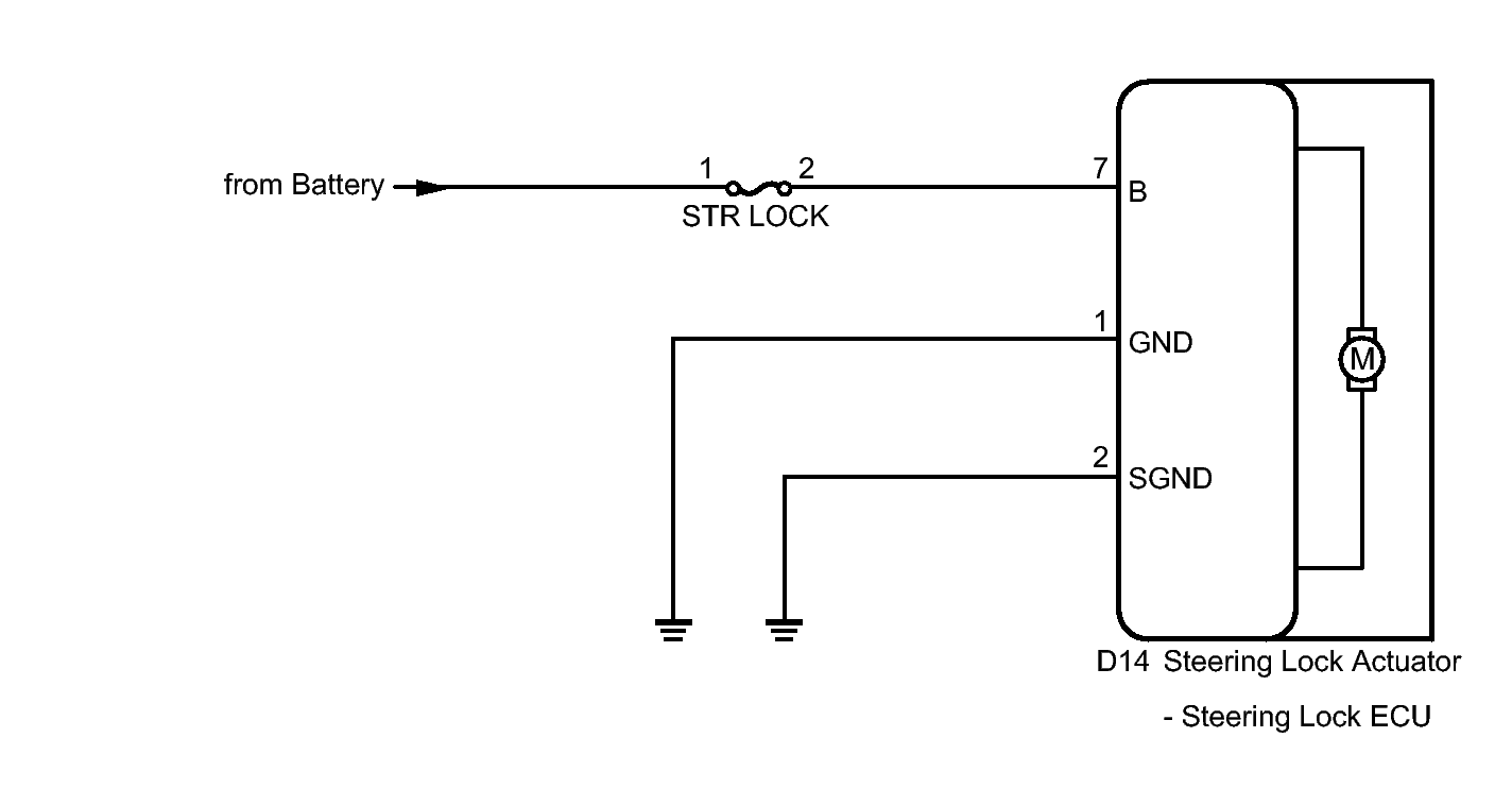
Power Source Circuit: Wiring Diagram

Fig 1: Power Source Circuit - Wiring Diagram
GTY303541Courtesy of © TOYOTA, LICENSE AGREEMENT TMS1002