LEMON Manuals: Even more car manuals for everyone
Home >> Toyota >> 2012 >> Avalon Base >> Repair and Diagnosis (Single Page) >> Electrical >> Body Electrical >> OEM System Circuits >> Wireless Door Lock Control (w/o Smart Key System) >> Notes

Wireless Door Lock Control (w/o Smart Key System): Notes

Fig 1: Wireless Door Lock Control (w/o Smart Key System) System Wiring Diagram (1 Of 7)
G08797419Courtesy of © TOYOTA, LICENSE AGREEMENT TMS1002
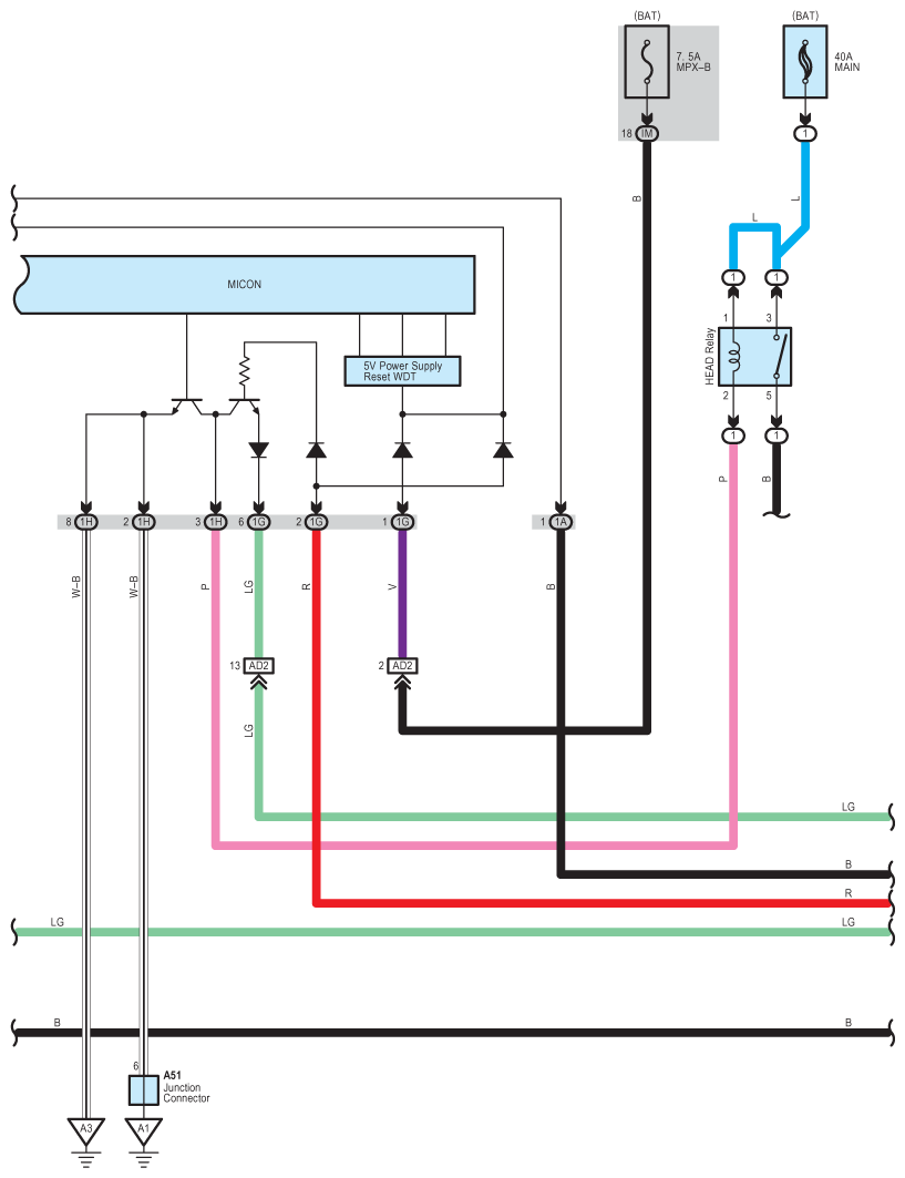
Fig 2: Wireless Door Lock Control (w/o Smart Key System) System Wiring Diagram (2 Of 7)
G08797420Courtesy of © TOYOTA, LICENSE AGREEMENT TMS1002
Fig 3: Wireless Door Lock Control (w/o Smart Key System) System Wiring Diagram (3 Of 7)
G08797421Courtesy of © TOYOTA, LICENSE AGREEMENT TMS1002
Fig 4: Wireless Door Lock Control (w/o Smart Key System) System Wiring Diagram (4 Of 7)
G08797422Courtesy of © TOYOTA, LICENSE AGREEMENT TMS1002
Fig 5: Wireless Door Lock Control (w/o Smart Key System) System Wiring Diagram (5 Of 7)
G08797423Courtesy of © TOYOTA, LICENSE AGREEMENT TMS1002
Fig 6: Wireless Door Lock Control (w/o Smart Key System) System Wiring Diagram (6 Of 7)
G08797424Courtesy of © TOYOTA, LICENSE AGREEMENT TMS1002
Fig 7: Wireless Door Lock Control (w/o Smart Key System) System Wiring Diagram (7 Of 7)
G08797425Courtesy of © TOYOTA, LICENSE AGREEMENT TMS1002