LEMON Manuals: Even more car manuals for everyone
Home >> Toyota >> 2012 >> Avalon Base >> Repair and Diagnosis (Single Page) >> Electrical >> Body Electrical >> OEM System Circuits >> Audio System (12 Speaker w/o Navigation System) >> Notes

Audio System (12 Speaker w/o Navigation System): Notes

Fig 1: Audio System (12 Speaker W/O Navigation System) System Wiring Diagram (1 Of 6)
G08797509Courtesy of © TOYOTA, LICENSE AGREEMENT TMS1002
Fig 2: Audio System (12 Speaker W/O Navigation System) System Wiring Diagram (2 Of 6)
G08797510Courtesy of © TOYOTA, LICENSE AGREEMENT TMS1002
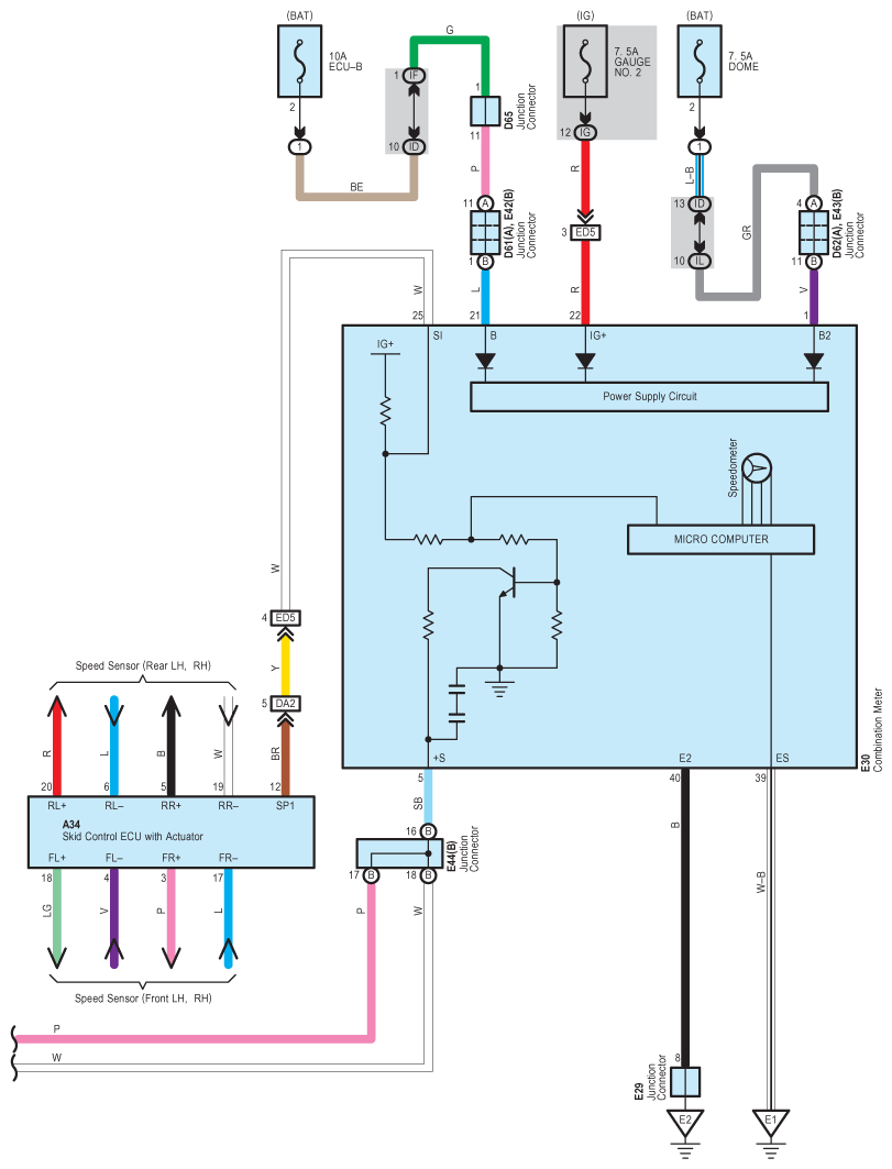
Fig 3: Audio System (12 Speaker W/O Navigation System) System Wiring Diagram (3 Of 6)
G08797511Courtesy of © TOYOTA, LICENSE AGREEMENT TMS1002
Fig 4: Audio System (12 Speaker W/O Navigation System) System Wiring Diagram (4 Of 6)
G08797512Courtesy of © TOYOTA, LICENSE AGREEMENT TMS1002
Fig 5: Audio System (12 Speaker W/O Navigation System) System Wiring Diagram (5 Of 6)
G08797513Courtesy of © TOYOTA, LICENSE AGREEMENT TMS1002
Fig 6: Audio System (12 Speaker W/O Navigation System) System Wiring Diagram (6 Of 6)
G08797514Courtesy of © TOYOTA, LICENSE AGREEMENT TMS1002