LEMON Manuals: Even more car manuals for everyone
Home >> Toyota >> 2011 >> Matrix Base, Standard >> Repair and Diagnosis (Single Page) >> Electrical >> Motors, Switches, Relays >> OEM System Circuits >> Audio System and Navigation System >> Notes

Audio System and Navigation System: Notes

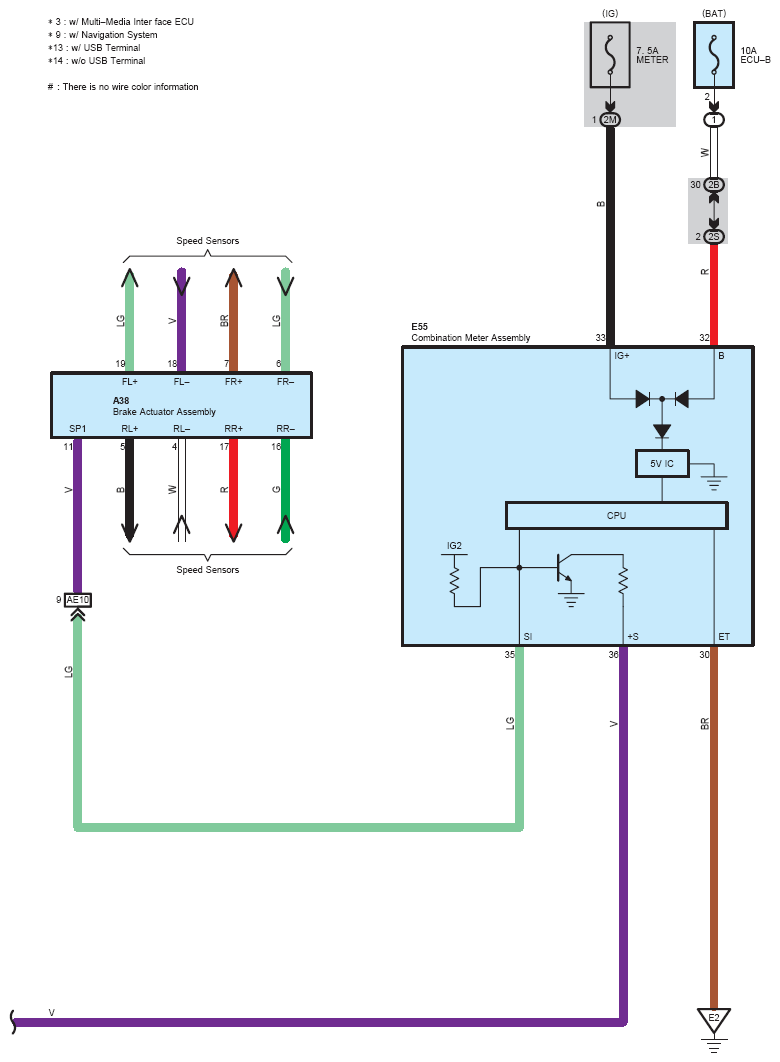
Fig 1: Audio System And Navigation System Wiring Diagram (1 Of 4)
G07114333Courtesy of © TOYOTA, LICENSE AGREEMENT TMS1002
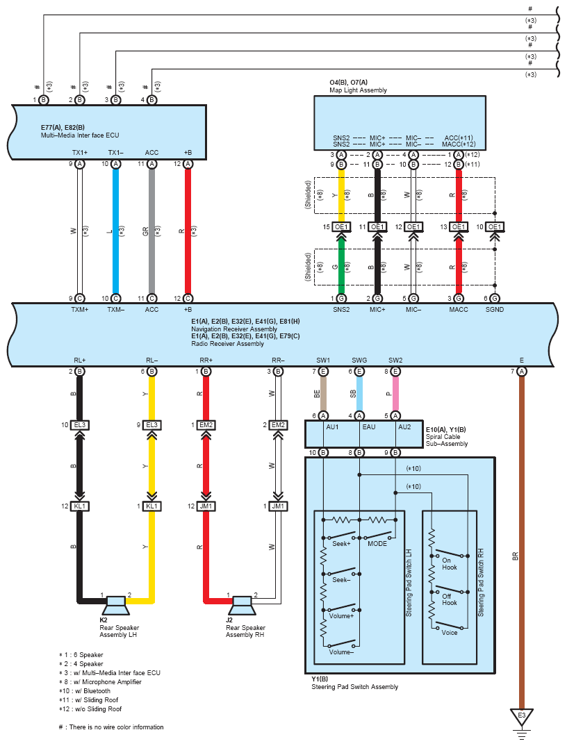
Fig 2: Audio System And Navigation System Wiring Diagram (2 Of 4)
G07114334Courtesy of © TOYOTA, LICENSE AGREEMENT TMS1002
Fig 3: Audio System And Navigation System Wiring Diagram (3 Of 4)
G07114335Courtesy of © TOYOTA, LICENSE AGREEMENT TMS1002
Fig 4: Audio System And Navigation System Wiring Diagram (4 Of 4)
G07114336Courtesy of © TOYOTA, LICENSE AGREEMENT TMS1002