LEMON Manuals: Even more car manuals for everyone
Home >> Toyota >> 2011 >> Matrix Base, Standard >> Repair and Diagnosis (Single Page) >> Electrical >> Body Electrical >> OEM System Circuits >> Starting >> Notes

OEM System Circuits: Starting: Notes

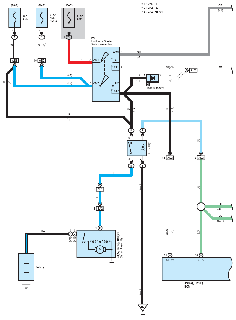
Fig 1: Starting System Wiring Diagram (1 Of 2)
G07114205Courtesy of © TOYOTA, LICENSE AGREEMENT TMS1002
Fig 2: Starting System Wiring Diagram (2 Of 2)
G07114206Courtesy of © TOYOTA, LICENSE AGREEMENT TMS1002