LEMON Manuals: Even more car manuals for everyone
Home >> Toyota >> 2011 >> Matrix Base, Standard >> Repair and Diagnosis (Single Page) >> Electrical >> Body Electrical >> OEM System Circuits >> Remote Control Mirror >> Notes

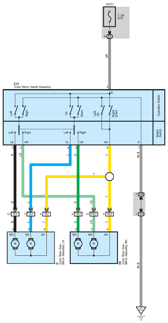
Remote Control Mirror: Notes

Fig 1: Remote Control Mirror System Wiring Diagram
G07114331Courtesy of © TOYOTA, LICENSE AGREEMENT TMS1002