LEMON Manuals: Even more car manuals for everyone
Home >> Toyota >> 2011 >> Matrix Base, Standard >> Repair and Diagnosis (Single Page) >> Electrical >> Body Electrical >> OEM System Circuits >> Charging >> Notes

OEM System Circuits: Charging: Notes

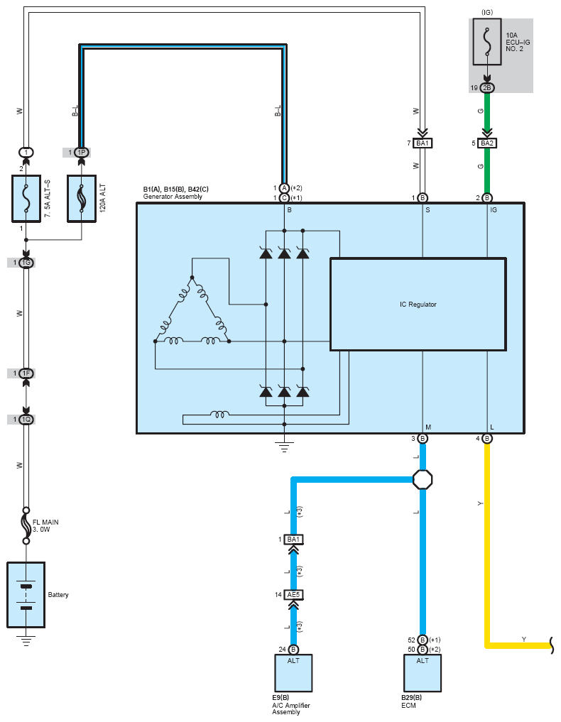
Fig 1: Charging System Wiring Diagram (1 Of 2)
G07114208Courtesy of © TOYOTA, LICENSE AGREEMENT TMS1002
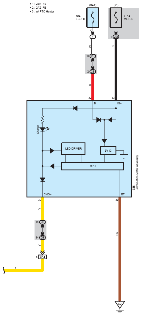
Fig 2: Charging System Wiring Diagram (2 Of 2)
G07114209Courtesy of © TOYOTA, LICENSE AGREEMENT TMS1002