LEMON Manuals: Even more car manuals for everyone
Home >> Toyota >> 2011 >> Matrix Base, Standard >> Repair and Diagnosis (Single Page) >> Electrical >> Body Electrical >> OEM System Circuits >> 4WD >> Notes

OEM System Circuits: 4WD: Notes

Fig 1: 4WD System Wiring Diagram (1 Of 5)
G07114304Courtesy of © TOYOTA, LICENSE AGREEMENT TMS1002
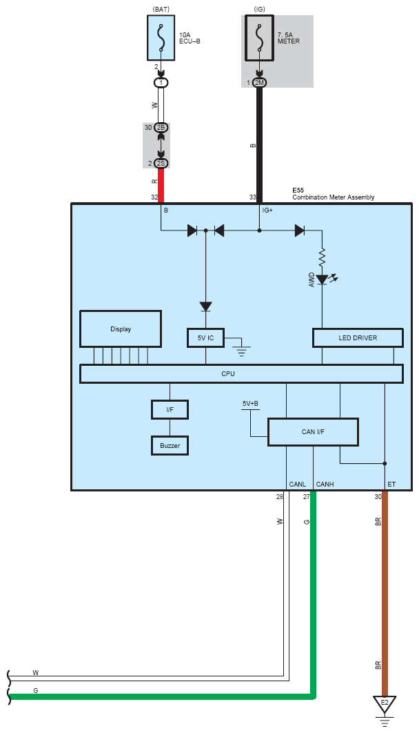
Fig 2: 4WD System Wiring Diagram (2 Of 5)
G07114305Courtesy of © TOYOTA, LICENSE AGREEMENT TMS1002
Fig 3: 4WD System Wiring Diagram (3 Of 5)
G07114306Courtesy of © TOYOTA, LICENSE AGREEMENT TMS1002
Fig 4: 4WD System Wiring Diagram (4 Of 5)
G07114307Courtesy of © TOYOTA, LICENSE AGREEMENT TMS1002
Fig 5: 4WD System Wiring Diagram (5 Of 5)
G07114308Courtesy of © TOYOTA, LICENSE AGREEMENT TMS1002