LEMON Manuals: Even more car manuals for everyone
Home >> Toyota >> 2011 >> Matrix Base, Automatic >> Repair and Diagnosis >> External Pages >> Different car >> Section 81 (Occupant Classification System (Diagnostic Codes & Symptom Tests)) >> Occupant Classification System >> DTC B1771: Passenger Side Buckle Switch Circuit Malfunction (TO 12/2010) >> Wiring Diagram

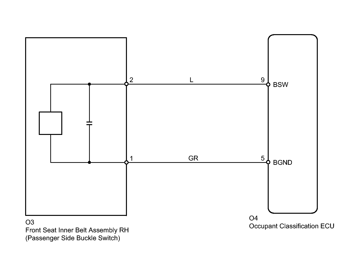
DTC B1771: Passenger Side Buckle Switch Circuit Malfunction (TO 12/2010): Wiring Diagram

WARNING: This page is about a different car, the 2011 Toyota Avalon. However, it is still accessible from the selected car via links, so may be relevant.
Fig 1: Passenger Side Buckle Switch Circuit - Wiring Diagram
GTY294968Courtesy of © TOYOTA, LICENSE AGREEMENT TMS1002