LEMON Manuals: Even more car manuals for everyone
Home >> Toyota >> 2010 >> Prius PHV >> Repair and Diagnosis >> External Pages >> Different variant/trim >> Section 111 (Smart Key System (Start Function) (Diagnostic Codes & Circuit Tests) (Except PHV)) >> SMART KEY SYSTEM (for Start Function) >> Circuit Test >> Power Source Mode does not Change to ON (READY) >> Wiring Diagram

Power Source Mode does not Change to ON (READY): Wiring Diagram

WARNING: This page is about a different variant/trim than selected.
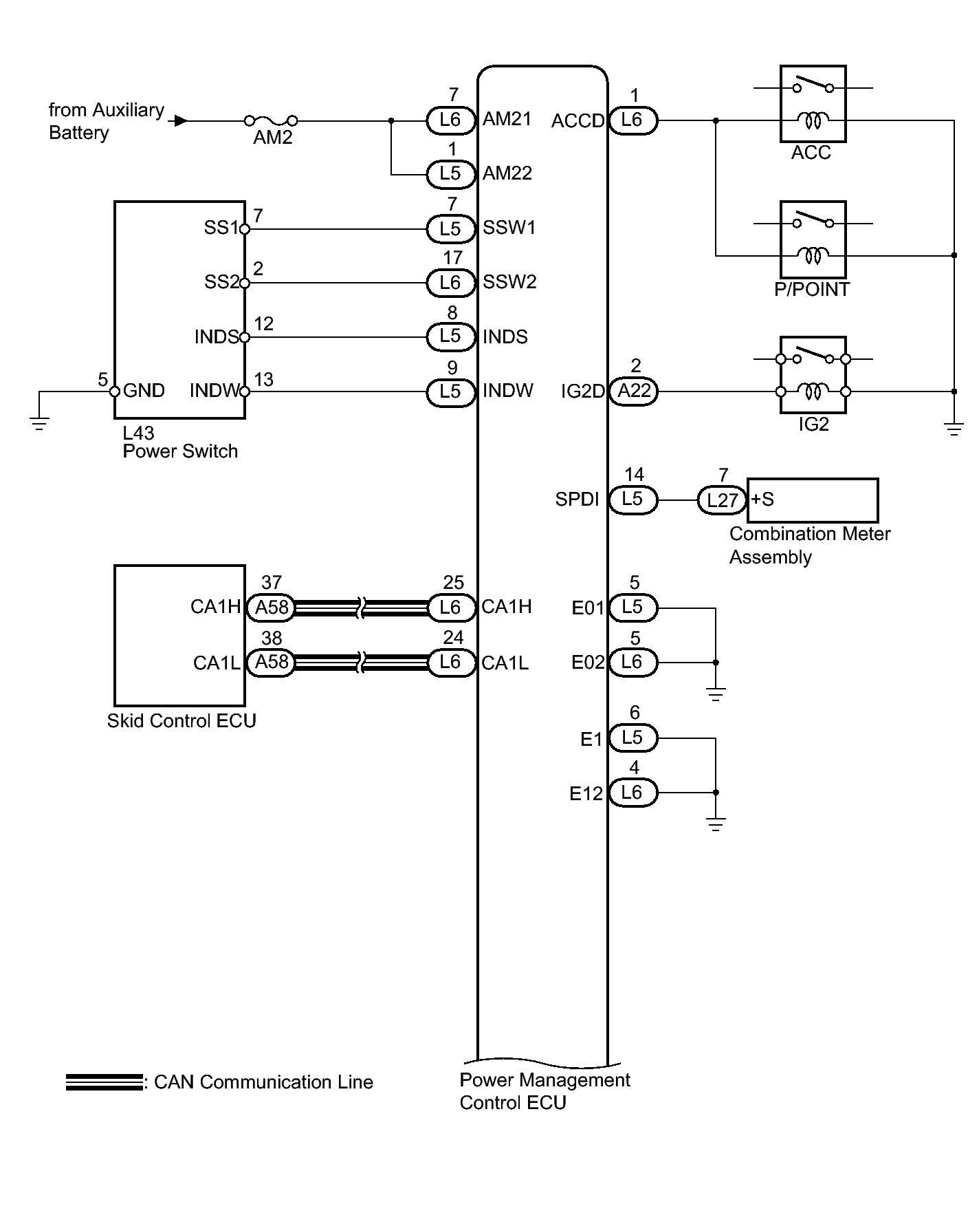
Fig 1: View Of Power Management Control ECU (1 Of 2)
GTY225066Courtesy of © TOYOTA, LICENSE AGREEMENT TMS1002
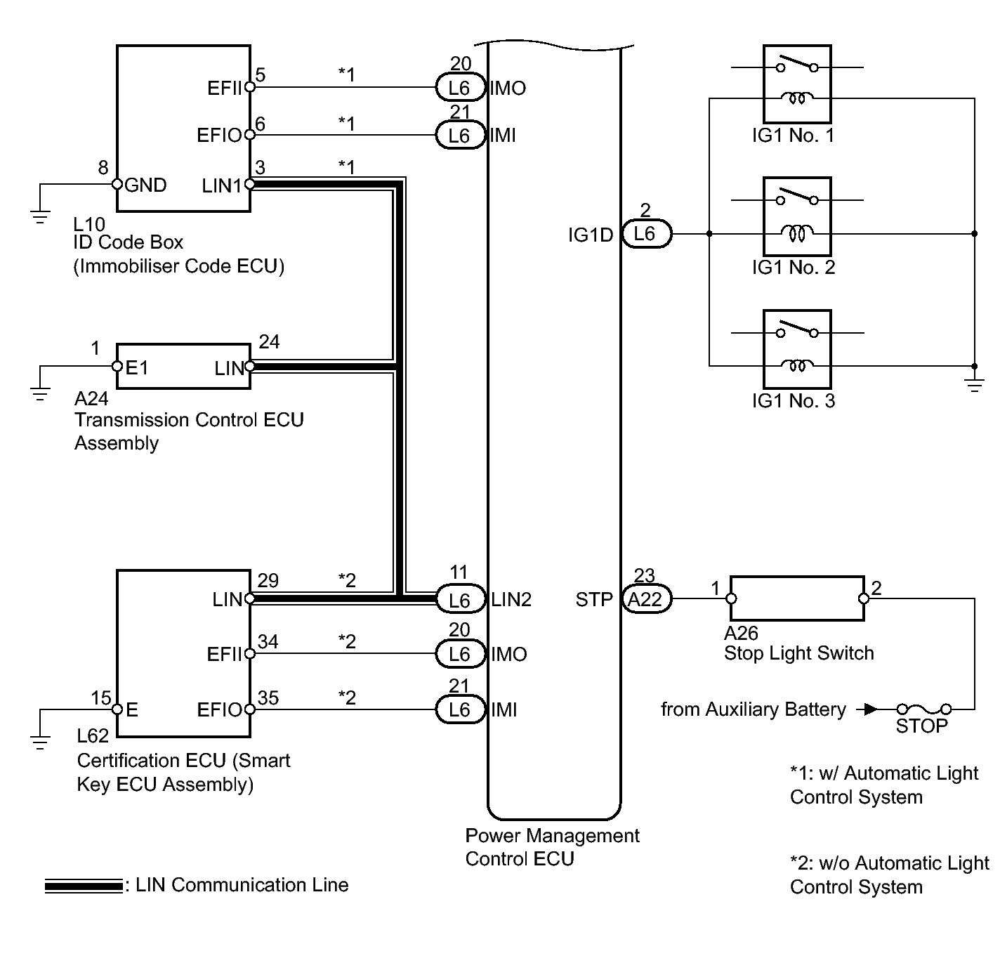
Fig 2: View Of Power Management Control ECU (2 Of 2)
GTY230279Courtesy of © TOYOTA, LICENSE AGREEMENT TMS1002