LEMON Manuals: Even more car manuals for everyone
Home >> Toyota >> 2010 >> Prius PHV >> Repair and Diagnosis >> External Pages >> Different variant/trim >> Section 111 (Smart Key System (Start Function) (Diagnostic Codes & Circuit Tests) (Except PHV)) >> SMART KEY SYSTEM (for Start Function) >> Circuit Test >> Power Source Mode does not Change to ON (IG and ACC) >> Wiring Diagram

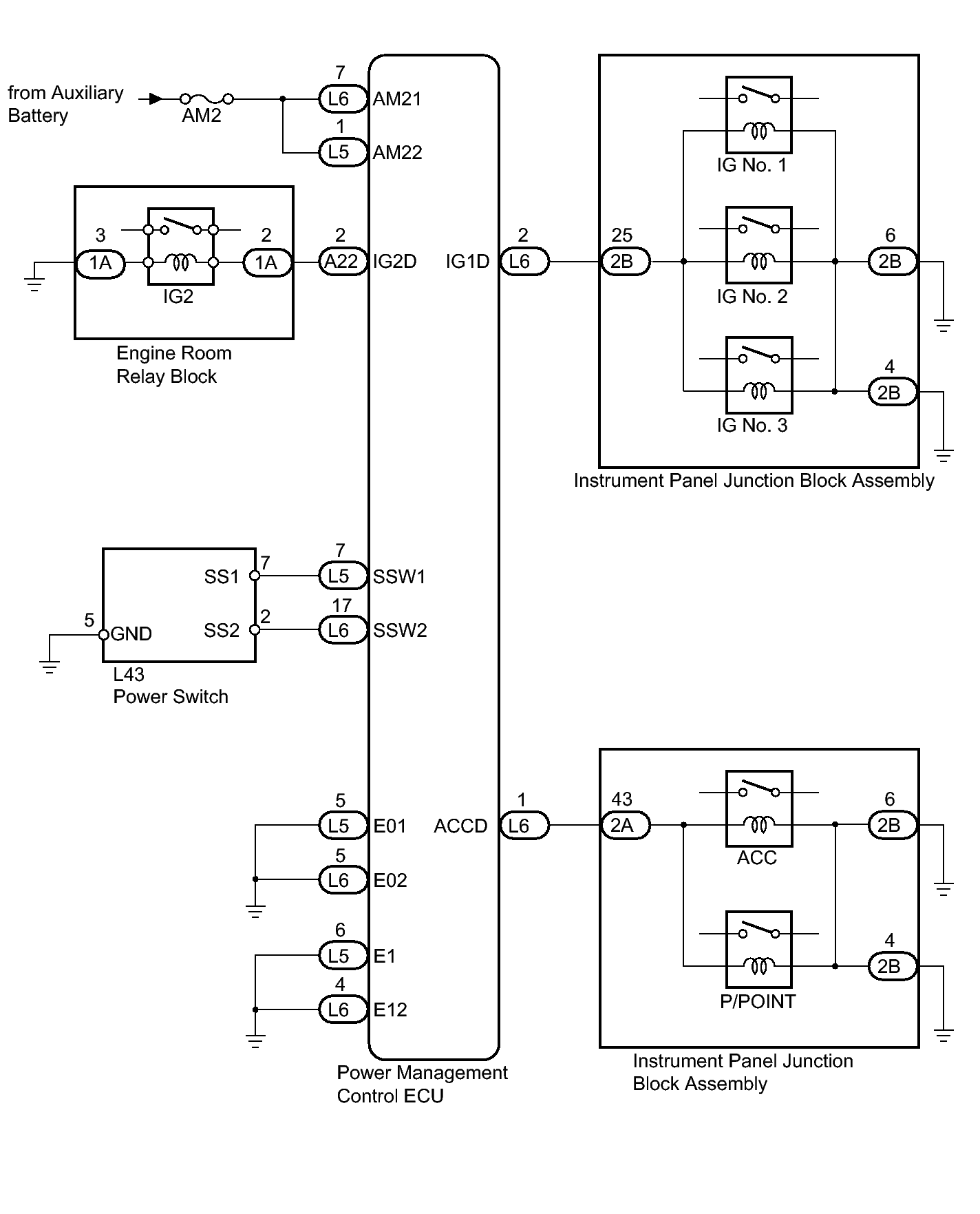
Power Source Mode does not Change to ON (IG and ACC): Wiring Diagram

WARNING: This page is about a different variant/trim than selected.
Fig 1: View Of Instrument Panel Junction Block Assembly Wiring Diagram
GTY215574Courtesy of © TOYOTA, LICENSE AGREEMENT TMS1002