LEMON Manuals: Even more car manuals for everyone
Home >> Toyota >> 2010 >> Matrix XRS, Automatic >> Repair and Diagnosis >> Engine Performance >> System >> Engine Control (SFI) System (2AZ-FE) (Diagnostics - Introduction) >> SFI System >> System Diagram >> System Diagram

System Diagram

Fig 1: SFI System Diagram (1 Of 3)
GTY231122Courtesy of © TOYOTA, LICENSE AGREEMENT TMS1002
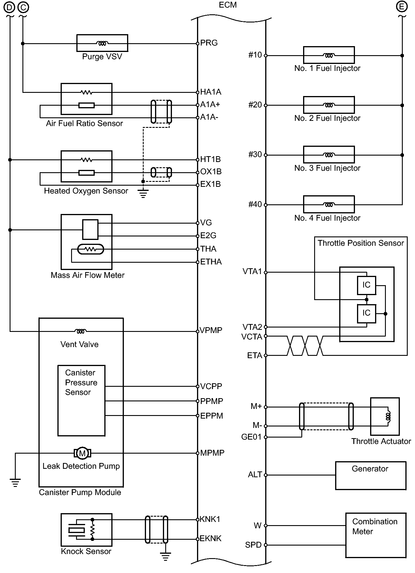
Fig 2: SFI System Diagram (2 Of 3)
GTY179793Courtesy of © TOYOTA, LICENSE AGREEMENT TMS1002
Fig 3: SFI System Diagram (3 Of 3)
GTY221965Courtesy of © TOYOTA, LICENSE AGREEMENT TMS1002