LEMON Manuals: Even more car manuals for everyone
Home >> Toyota >> 2010 >> Matrix Base, Standard >> Repair and Diagnosis >> External Pages >> Different car >> Section 20 (Engine Control System (Diagnostics - Introduction)) >> SFI System >> System Diagram >> System Diagram

System Diagram

WARNING: This page is about a different car, the 2011 Toyota Avalon. However, it is still accessible from the selected car via links, so may be relevant.
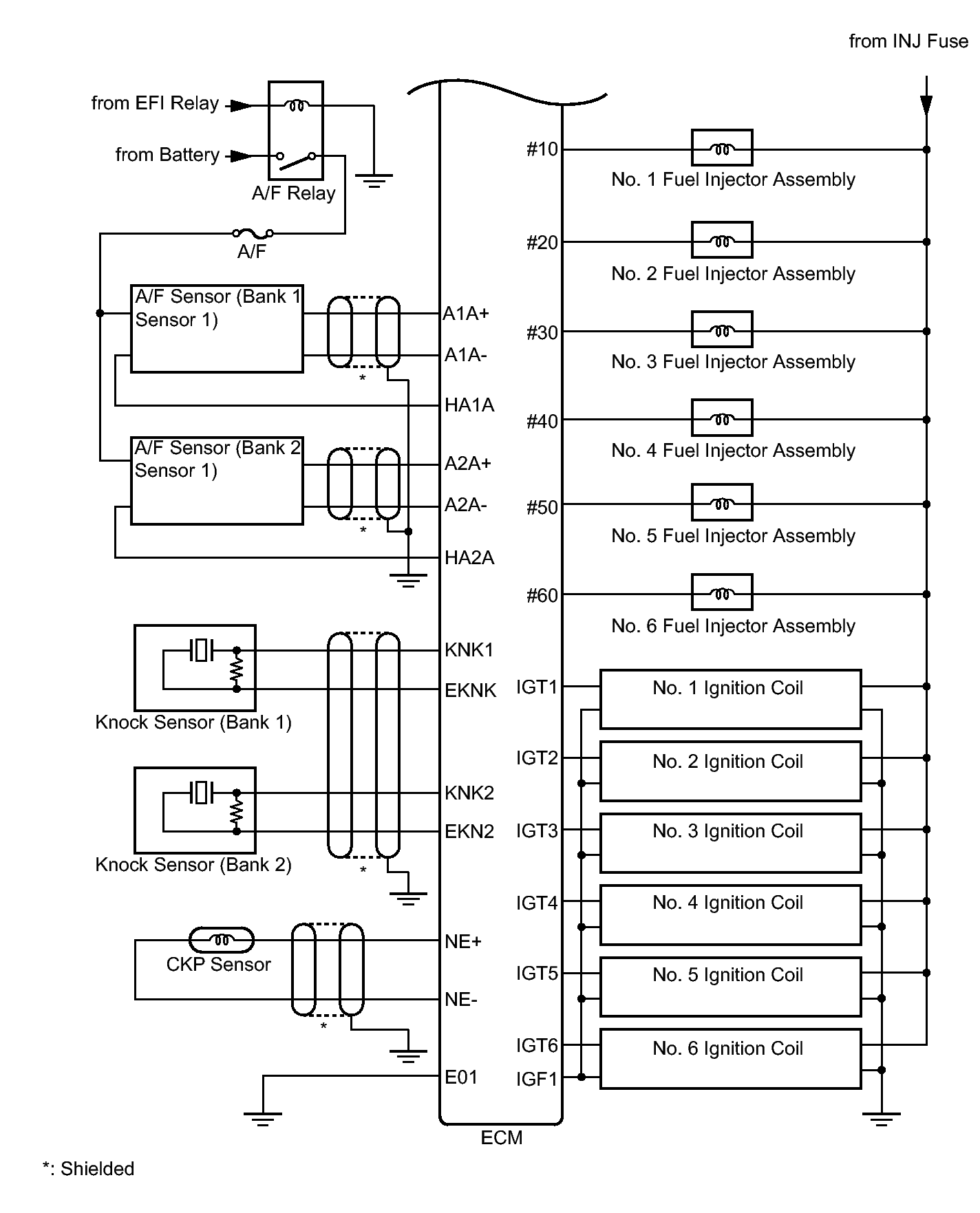
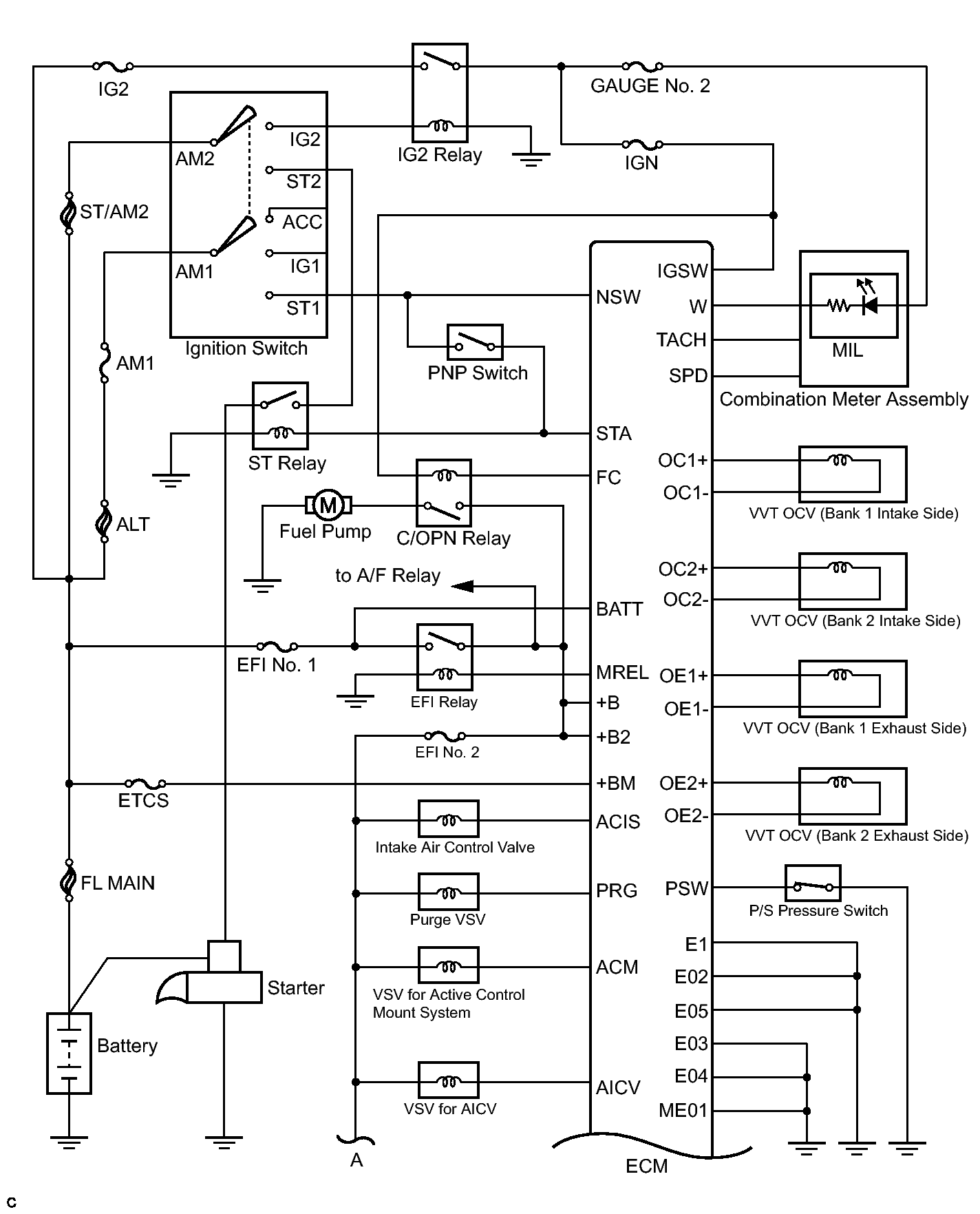
  1. w/o Smart Key System: 
    Fig 1: SFI System Circuit Diagram (w/o Smart Key System) (1 Of 3)
    GTY299490Courtesy of © TOYOTA, LICENSE AGREEMENT TMS1002
    Fig 2: SFI System Circuit Diagram (w/o Smart Key System) (2 Of 3)
    GTY298815Courtesy of © TOYOTA, LICENSE AGREEMENT TMS1002
    Fig 3: SFI System Circuit Diagram (w/o Smart Key System) (3 Of 3)
    GTY304369Courtesy of © TOYOTA, LICENSE AGREEMENT TMS1002
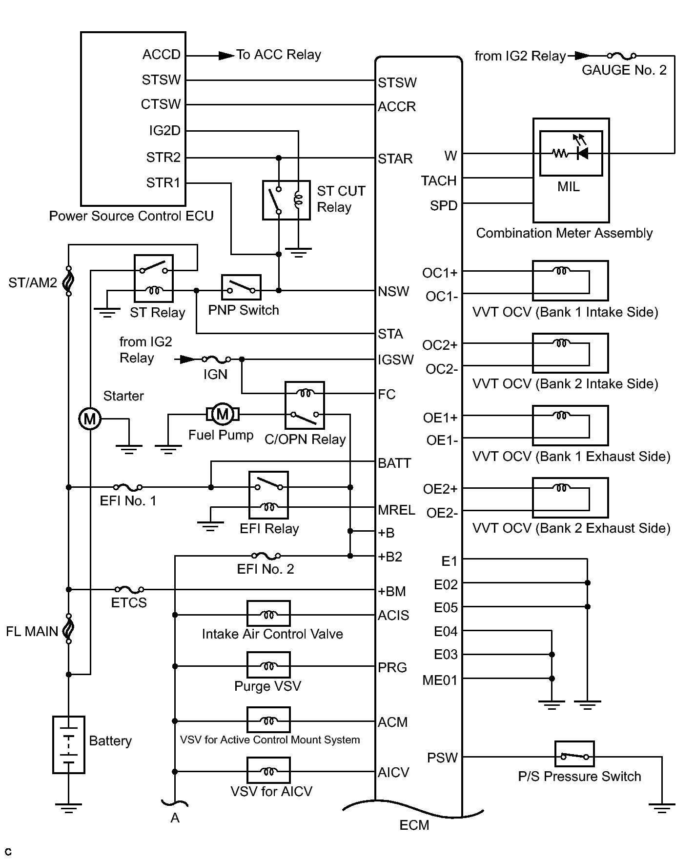
  2. w/ Smart Key System: 
    Fig 4: SFI System Circuit Diagram (w/ Smart Key System) (1 Of 3)
    GTY301507Courtesy of © TOYOTA, LICENSE AGREEMENT TMS1002
    Fig 5: SFI System Circuit Diagram (w/ Smart Key System) (2 Of 3)
    GTY298815Courtesy of © TOYOTA, LICENSE AGREEMENT TMS1002
    Fig 6: SFI System Circuit Diagram (w/ Smart Key System) (3 Of 3)
    GTY304369Courtesy of © TOYOTA, LICENSE AGREEMENT TMS1002