LEMON Manuals: Even more car manuals for everyone
Home >> Toyota >> 2010 >> Matrix Base, Standard >> Repair and Diagnosis (Single Page) >> Electrical >> Fuses & Circuit Breakers >> OEM Junction Block, Ecu & Fuse/Relay Locations >> Junction Block Fuse, Relay & Circuit Identification >> Driver Side Junction Block Assembly Inner Circuit

Driver Side Junction Block Assembly Inner Circuit

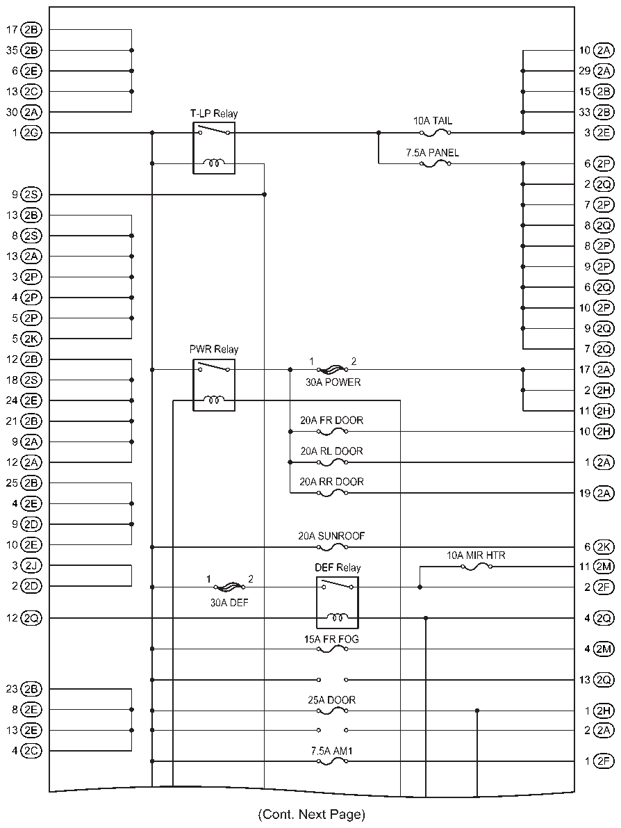
Fig 1: Driver Side J/B Assembly & Relay Inner Circuit Diagram (1 Of 4)
G07571323Courtesy of © TOYOTA, LICENSE AGREEMENT TMS1002
Driver Side J/B Inner Circuit Relay Identification

RELAY DESCRIPTION
T-LP Relay
PWR Relay
DEF Relay
Fig 2: Driver Side J/B Assembly & Relay Inner Circuit Diagram (2 Of 4)
G07571324Courtesy of © TOYOTA, LICENSE AGREEMENT TMS1002
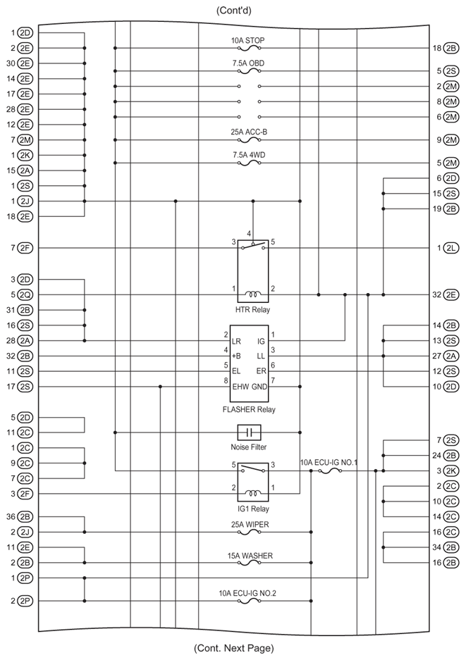
Fig 3: Driver Side J/B Assembly & Relay Inner Circuit Diagram (3 Of 4)
G07571325Courtesy of © TOYOTA, LICENSE AGREEMENT TMS1002
Driver Side J/B Inner Circuit Relay Identification

RELAY DESCRIPTION
C/OPN Relay
Fig 4: Driver Side J/B Assembly & Relay Inner Circuit Diagram (4 Of 4)
G07571326Courtesy of © TOYOTA, LICENSE AGREEMENT TMS1002