LEMON Manuals: Even more car manuals for everyone
Home >> Toyota >> 2010 >> Matrix Base, Standard >> Repair and Diagnosis (Single Page) >> Brakes >> Traction Control >> Vehicle Stability Control (2ZR-FE) (Diagnostic Codes & Circuit Tests) >> VEHICLE STABILITY CONTROL SYSTEM (for 2ZR-FE) >> DTC U0073: Control Module Communication Bus OFF; DTC U0100: Lost Communication with ECM / PCM; DTC U0123: Lost Communication with Yaw Rate Sensor Module; DTC U0124: Lost Communication with Lateral Acceleration Sensor Module; DTC U0126: Lost Communication with Steering Angle Sensor Module >> Wiring Diagram

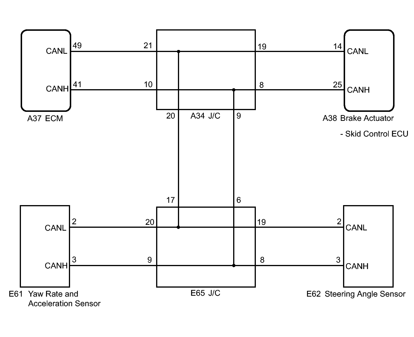
DTC U0073: Control Module Communication Bus OFF; DTC U0100: Lost Communication with ECM / PCM; DTC U0123: Lost Communication with Yaw Rate Sensor Module; DTC U0124: Lost Communication with Lateral Acceleration Sensor Module; DTC U0126: Lost Communication with Steering Angle Sensor Module: Wiring Diagram

Fig 1: View Of Steering Angle Sensor With Yaw Rate And Acceleration Sensor Wiring Diagram
GTY244386Courtesy of © TOYOTA, LICENSE AGREEMENT TMS1002