LEMON Manuals: Even more car manuals for everyone
Home >> Toyota >> 2010 >> Matrix Base, Automatic >> Repair and Diagnosis (Single Page) >> Steering >> Manual Steering >> Steering System (Diagnostics & Circuit Tests) >> Power Steering System >> Circuit Tests >> EPS Warning Light Circuit >> Wiring Diagram

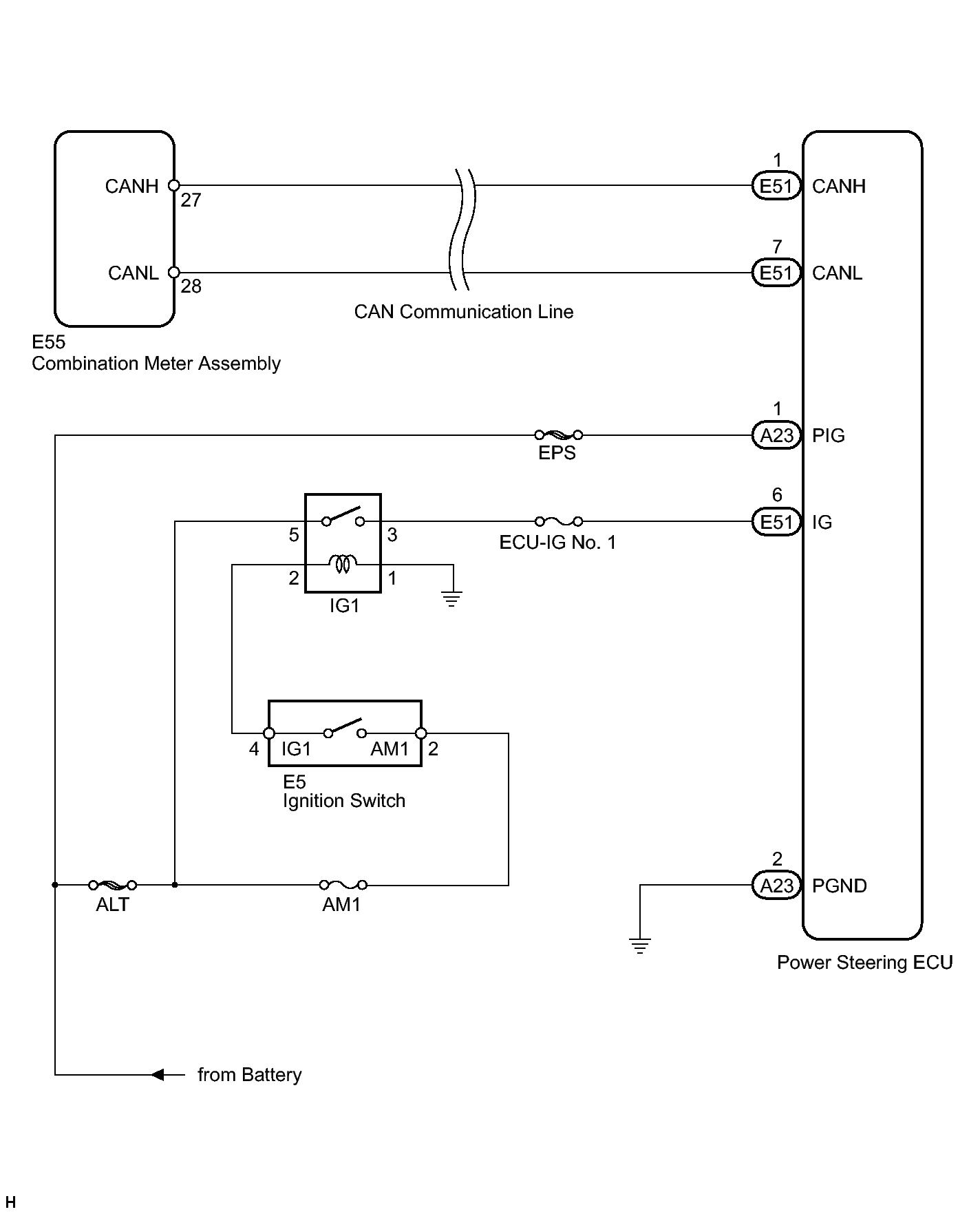
EPS Warning Light Circuit: Wiring Diagram

Fig 1: EPS Warning Light Circuit Wiring Diagram
GTY223469Courtesy of © TOYOTA, LICENSE AGREEMENT TMS1002