LEMON Manuals: Even more car manuals for everyone
Home >> Toyota >> 2010 >> Matrix Base, Automatic >> Repair and Diagnosis (Single Page) >> Electrical >> Body Electrical >> OEM System Circuits >> Tire Pressure Warning System >> Notes

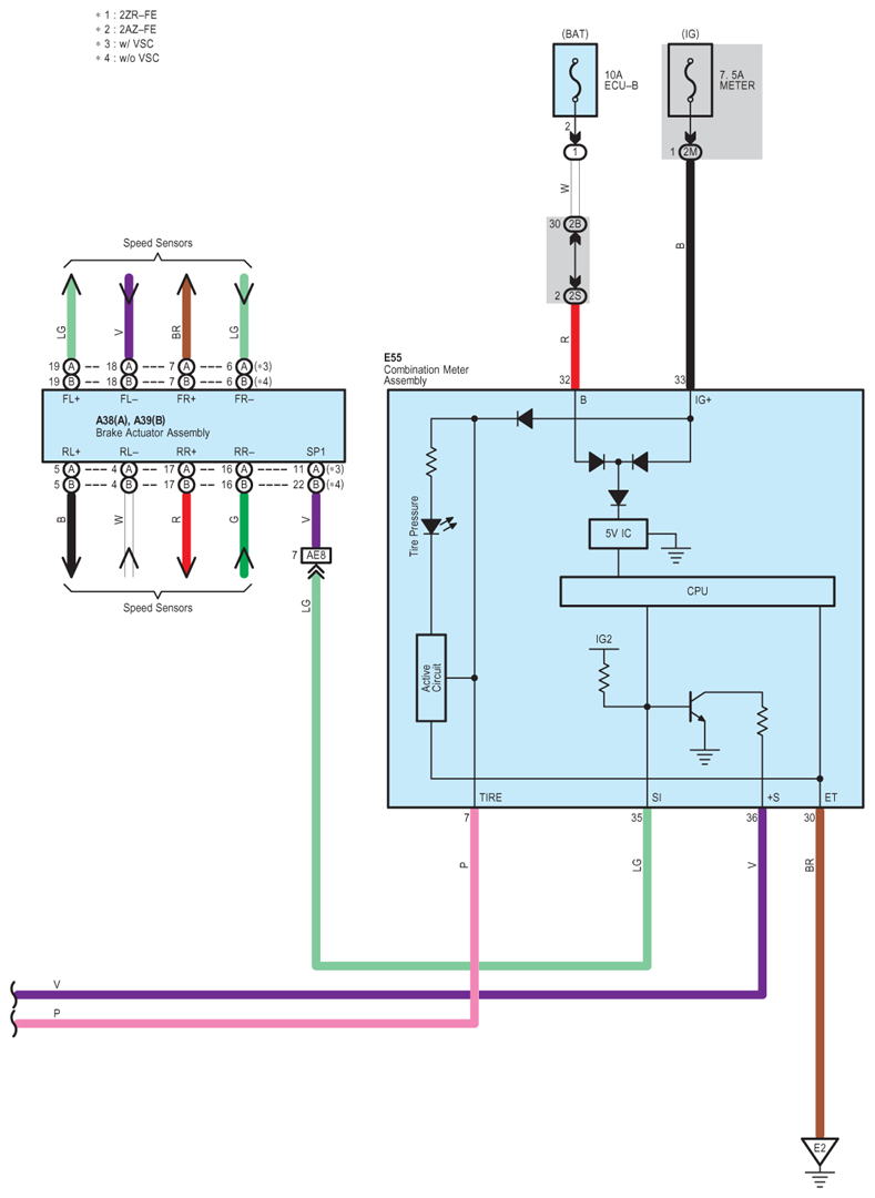
Tire Pressure Warning System: Notes

Fig 1: Tire Pressure Warning System - Circuit Diagram (1 Of 2)
G07571473Courtesy of © TOYOTA, LICENSE AGREEMENT TMS1002
Fig 2: Tire Pressure Warning System - Circuit Diagram (2 Of 2)
G07571474Courtesy of © TOYOTA, LICENSE AGREEMENT TMS1002