LEMON Manuals: Even more car manuals for everyone
Home >> Toyota >> 2010 >> Matrix Base, Automatic >> Repair and Diagnosis (Single Page) >> Electrical >> Body Electrical >> OEM System Circuits >> Ignition >> Notes

OEM System Circuits: Ignition: Notes

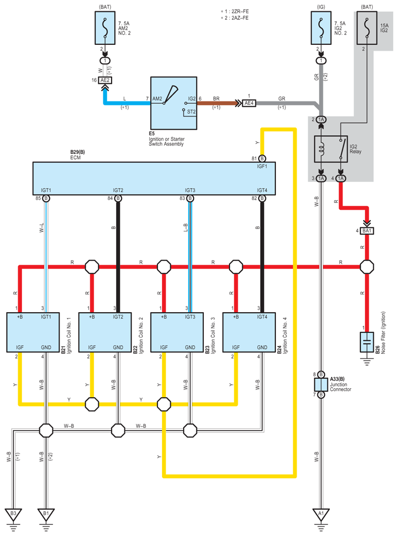
Fig 1: Ignition - Circuit Diagram
G07571355Courtesy of © TOYOTA, LICENSE AGREEMENT TMS1002