LEMON Manuals: Even more car manuals for everyone
Home >> Toyota >> 2010 >> Matrix Base, Automatic >> Repair and Diagnosis (Single Page) >> Electrical >> Body Electrical >> OEM System Circuits >> Engine Control (2ZR-FE) >> Notes

Engine Control (2ZR-FE): Notes

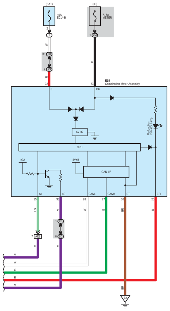
Fig 1: Engine Control (2ZR-FE) - Circuit Diagram (1 Of 10)
G07571368Courtesy of © TOYOTA, LICENSE AGREEMENT TMS1002
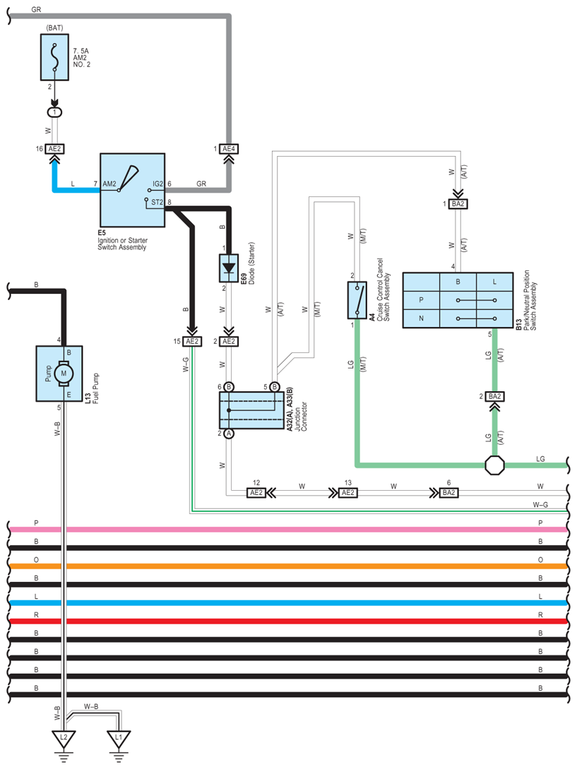
Fig 2: Engine Control (2ZR-FE) - Circuit Diagram (2 Of 10)
G07571369Courtesy of © TOYOTA, LICENSE AGREEMENT TMS1002
Fig 3: Engine Control (2ZR-FE) - Circuit Diagram (3 Of 10)
G07571370Courtesy of © TOYOTA, LICENSE AGREEMENT TMS1002
Fig 4: Engine Control (2ZR-FE) - Circuit Diagram (4 Of 10)
G07571371Courtesy of © TOYOTA, LICENSE AGREEMENT TMS1002
Fig 5: Engine Control (2ZR-FE) - Circuit Diagram (5 Of 10)
G07571372Courtesy of © TOYOTA, LICENSE AGREEMENT TMS1002
Fig 6: Engine Control (2ZR-FE) - Circuit Diagram (6 Of 10)
G07571373Courtesy of © TOYOTA, LICENSE AGREEMENT TMS1002
Fig 7: Engine Control (2ZR-FE) - Circuit Diagram (7 Of 10)
G07571374Courtesy of © TOYOTA, LICENSE AGREEMENT TMS1002
Fig 8: Engine Control (2ZR-FE) - Circuit Diagram (8 Of 10)
G07571375Courtesy of © TOYOTA, LICENSE AGREEMENT TMS1002
Fig 9: Engine Control (2ZR-FE) - Circuit Diagram (9 Of 10)
G07571376Courtesy of © TOYOTA, LICENSE AGREEMENT TMS1002
Fig 10: Engine Control (2ZR-FE) - Circuit Diagram (10 Of 10)
G07571377Courtesy of © TOYOTA, LICENSE AGREEMENT TMS1002