LEMON Manuals: Even more car manuals for everyone
Home >> Toyota >> 2010 >> Matrix Base, Automatic >> Repair and Diagnosis (Single Page) >> Electrical >> Body Electrical >> OEM System Circuits >> Combination Meter >> Notes

Combination Meter: Notes

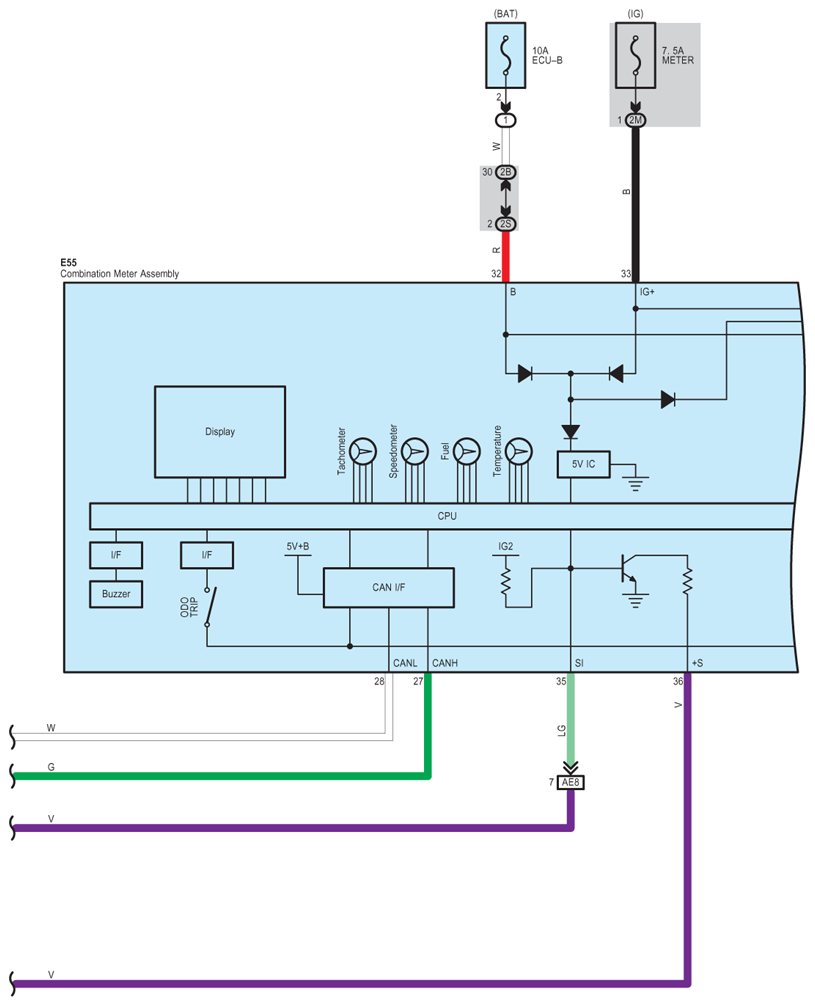
Fig 1: Combination Meter - Circuit Diagram (1 Of 6)
G07571503Courtesy of © TOYOTA, LICENSE AGREEMENT TMS1002
Fig 2: Combination Meter - Circuit Diagram (2 Of 6)
G07571504Courtesy of © TOYOTA, LICENSE AGREEMENT TMS1002
Fig 3: Combination Meter - Circuit Diagram (3 Of 6)
G07571505Courtesy of © TOYOTA, LICENSE AGREEMENT TMS1002
Fig 4: Combination Meter - Circuit Diagram (4 Of 6)
G07571506Courtesy of © TOYOTA, LICENSE AGREEMENT TMS1002
Fig 5: Combination Meter - Circuit Diagram (5 Of 6)
G07571507Courtesy of © TOYOTA, LICENSE AGREEMENT TMS1002
Fig 6: Combination Meter - Circuit Diagram (6 Of 6)
G07571508Courtesy of © TOYOTA, LICENSE AGREEMENT TMS1002