LEMON Manuals: Even more car manuals for everyone
Home >> Toyota >> 2010 >> Matrix Base, Automatic >> Repair and Diagnosis (Single Page) >> Accessories & Equipment >> Infotainment >> Navigation (Diagnostic Codes & Symptom Tests) >> Navigation System >> Circuit Test >> Vehicle Speed Signal Circuit Between Navigation Receiver Assembly and Combination Meter >> Wiring Diagram

Vehicle Speed Signal Circuit Between Navigation Receiver Assembly and Combination Meter: Wiring Diagram

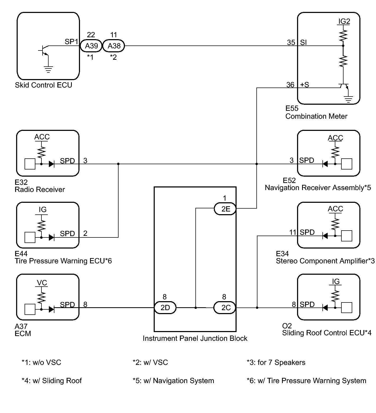
  1. for 2AZ-FE: 
    Fig 1: Vehicle Speed Signal (2AZ-FE) - Wiring Diagram
    GTY247429Courtesy of © TOYOTA, LICENSE AGREEMENT TMS1002
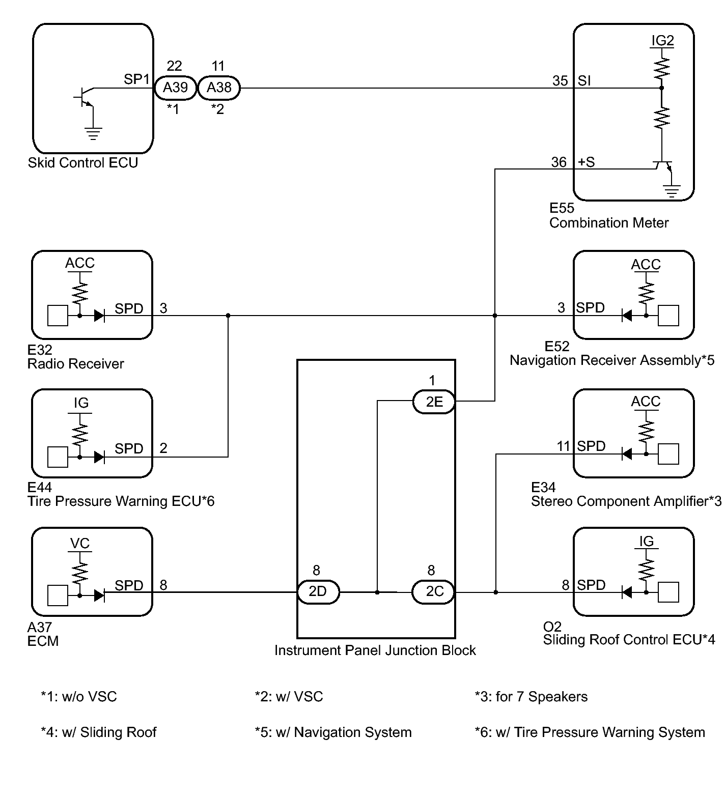
  2. for 2ZR-FE: 
    Fig 2: Vehicle Speed Signal (2ZR-FE) - Wiring Diagram
    GTY247427Courtesy of © TOYOTA, LICENSE AGREEMENT TMS1002