LEMON Manuals: Even more car manuals for everyone
Home >> Toyota >> 2009 >> Sienna CE >> Repair and Diagnosis >> External Pages >> Different car >> Section 7 (Brake Control/Dynamic Control System) >> Vehicle Stability Control System >> DTC U0073/94 Control Module Communication Bus OFF; DTC U0100/65 Lost Communication with ECM / PCM; DTC U0123/62 Lost Communication with Yaw Rate Sensor Module; DTC U0124/95 Lost Communication with Lateral Acceleration Sensor Module; DTC U0126/63 Lost Communication with Steering Angle Sensor Module >> Wiring Diagram

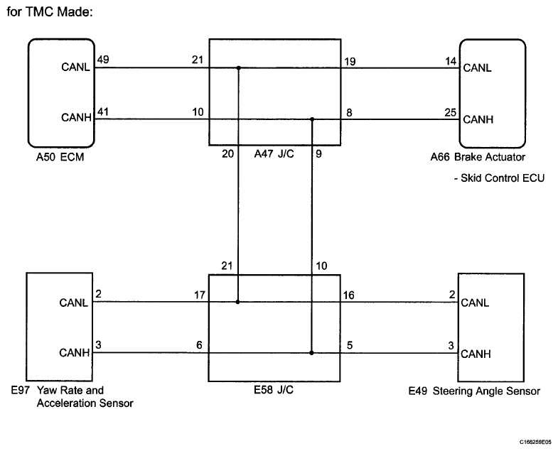
DTC U0073/94 Control Module Communication Bus OFF; DTC U0100/65 Lost Communication with ECM / PCM; DTC U0123/62 Lost Communication with Yaw Rate Sensor Module; DTC U0124/95 Lost Communication with Lateral Acceleration Sensor Module; DTC U0126/63 Lost Communication with Steering Angle Sensor Module: Wiring Diagram

WARNING: This page is about a different car, the 2009 Toyota Corolla. However, it is still accessible from the selected car via links, so may be relevant.
Fig 1: Yaw Rate And Acceleration Sensor - Wiring Diagram (1 Of 2)
G06013973Courtesy of © TOYOTA, LICENSE AGREEMENT TMS1002
Fig 2: Yaw Rate And Acceleration Sensor - Wiring Diagram (2 Of 2)
G06013974Courtesy of © TOYOTA, LICENSE AGREEMENT TMS1002