LEMON Manuals: Even more car manuals for everyone
Home >> Toyota >> 2009 >> Sienna CE >> Repair and Diagnosis >> External Pages >> Different car >> Section 7 (Brake Control/Dynamic Control System) >> Vehicle Stability Control System >> DTC C1249/49 Open in Stop Light Switch Circuit >> Wiring Diagram

DTC C1249/49 Open in Stop Light Switch Circuit: Wiring Diagram

WARNING: This page is about a different car, the 2009 Toyota Corolla. However, it is still accessible from the selected car via links, so may be relevant.
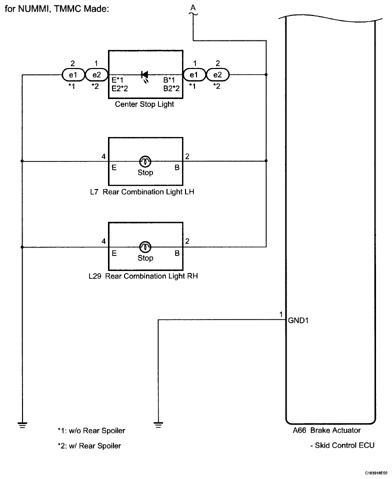
Fig 1: Open In Stop Light Switch - Wiring Diagram (1 Of 3)
G06013962Courtesy of © TOYOTA, LICENSE AGREEMENT TMS1002
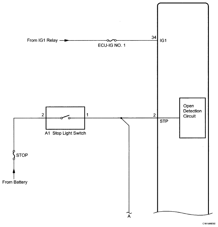
Fig 2: Open In Stop Light Switch - Wiring Diagram (2 Of 3)
G06013963Courtesy of © TOYOTA, LICENSE AGREEMENT TMS1002
Fig 3: Open In Stop Light Switch - Wiring Diagram (3 Of 3)
G06013964Courtesy of © TOYOTA, LICENSE AGREEMENT TMS1002