LEMON Manuals: Even more car manuals for everyone
Home >> Toyota >> 2009 >> Sienna CE >> Repair and Diagnosis >> External Pages >> Different car >> Section 314 (Engine Control System (2ZR-FE) - SFI System Diagnostic Introduction, Precautions, Problem Symptoms Table, Fail-Safe Chart, Diagnostic Trouble Code (DTC) Chart) >> SFI System >> System Diagram

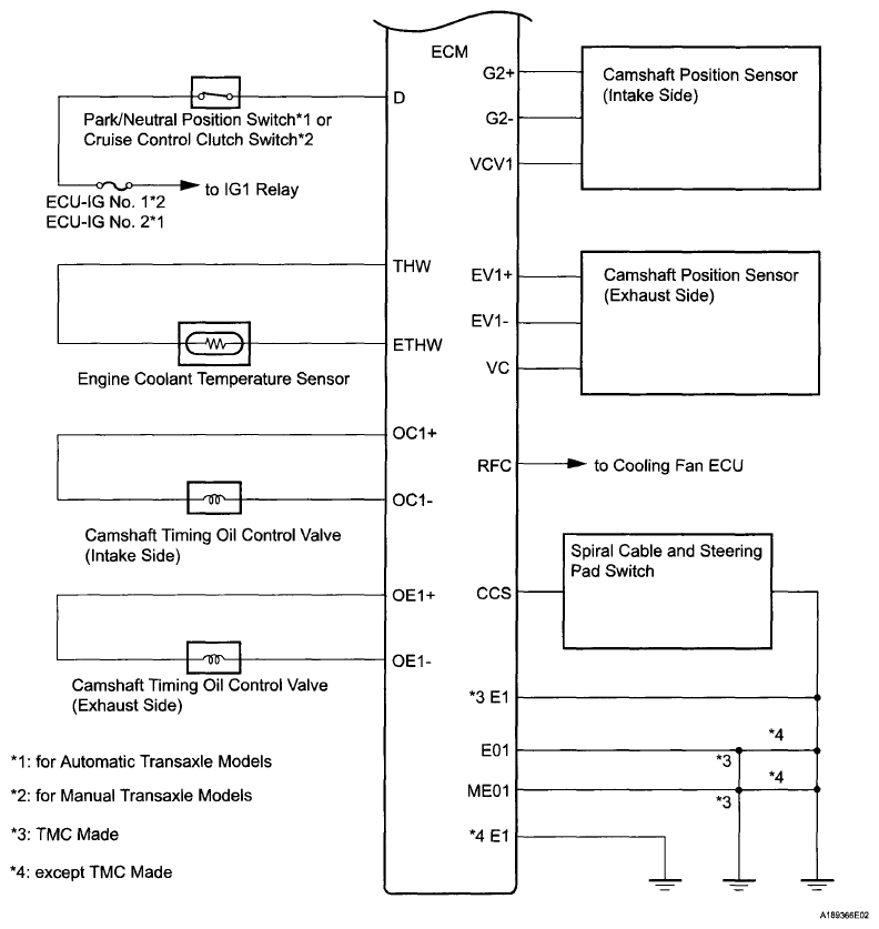
System Diagram

WARNING: This page is about a different car, the 2009 Toyota Corolla. However, it is still accessible from the selected car via links, so may be relevant.
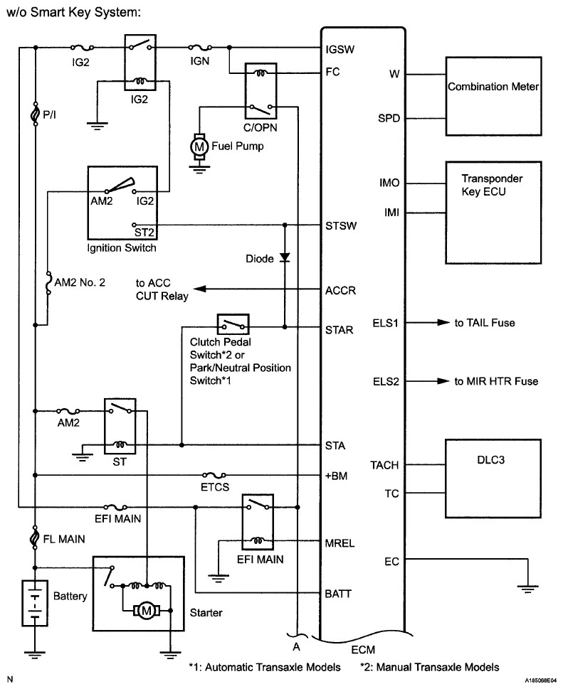
Fig 1: Engine Control System Diagram (1 Of 5)
G06007702Courtesy of © TOYOTA, LICENSE AGREEMENT TMS1002
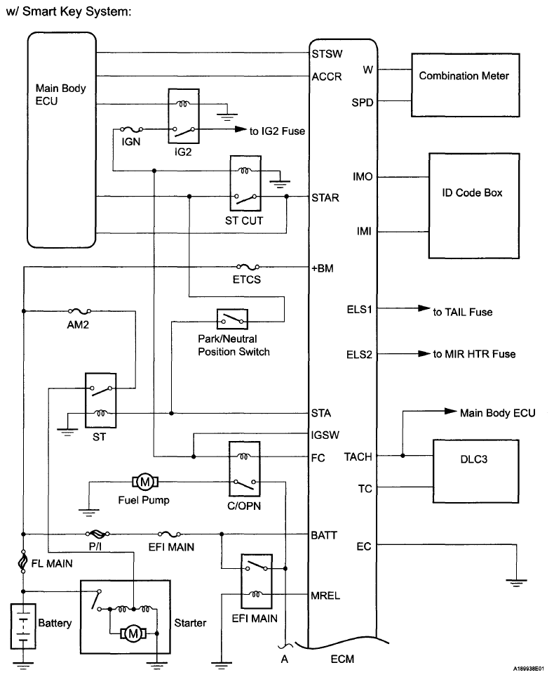
Fig 2: Engine Control System Diagram (2 Of 5)
G06007703Courtesy of © TOYOTA, LICENSE AGREEMENT TMS1002
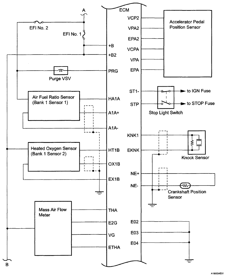
Fig 3: Engine Control System Diagram (3 Of 5)
G06007704Courtesy of © TOYOTA, LICENSE AGREEMENT TMS1002
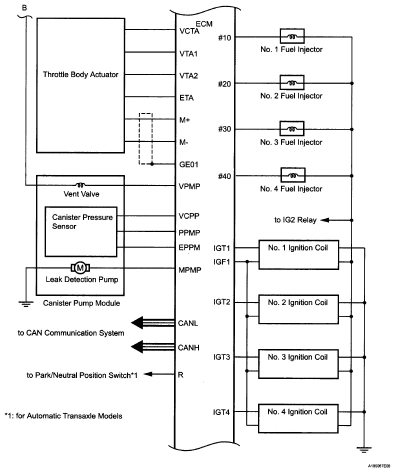
Fig 4: Engine Control System Diagram (4 Of 5)
G06007705Courtesy of © TOYOTA, LICENSE AGREEMENT TMS1002
Fig 5: Engine Control System Diagram (5 Of 5)
G06007706Courtesy of © TOYOTA, LICENSE AGREEMENT TMS1002