LEMON Manuals: Even more car manuals for everyone
Home >> Toyota >> 2009 >> Sienna CE >> Repair and Diagnosis >> Engine Performance >> Engine Control Systems >> Engine Control System - System & Component Testing, On-Vehicle Inspection, Removal, Inspection & Installation >> VC Output Circuit >> Wiring Diagram

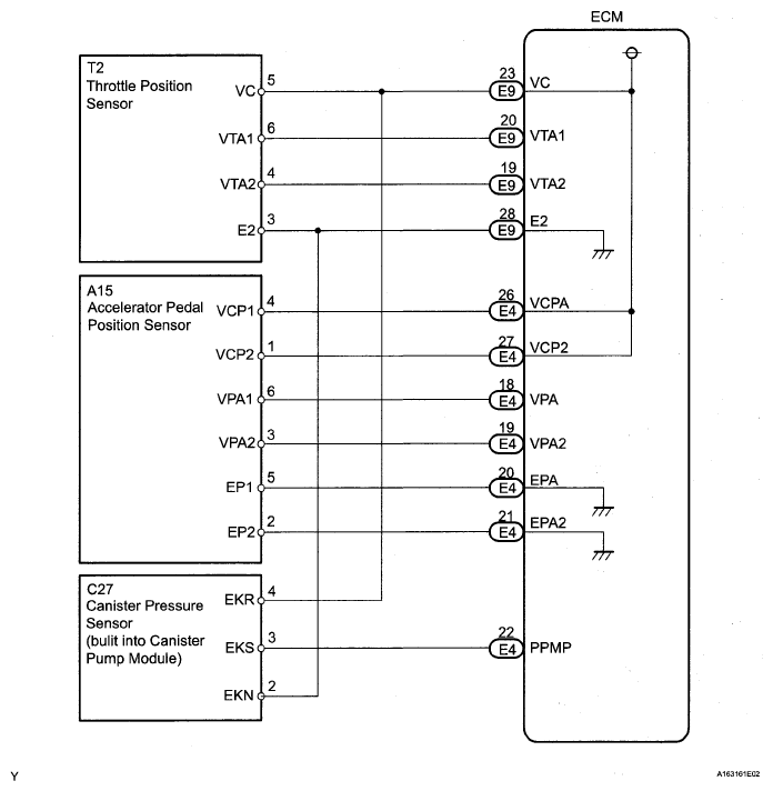
VC Output Circuit: Wiring Diagram

Fig 1: Throttle Pedal Position Sensor And ECM - Wiring Diagram (1 Of 2)
G05136290Courtesy of © TOYOTA, LICENSE AGREEMENT TMS1002
Fig 2: Throttle Pedal Position Sensor And ECM - Wiring Diagram (2 Of 2)
G05675504Courtesy of © TOYOTA, LICENSE AGREEMENT TMS1002