LEMON Manuals: Even more car manuals for everyone
Home >> Toyota >> 2009 >> RAV4 Base, 2.5 F, AWD >> Repair and Diagnosis >> Engine Performance >> System >> Engine Control System (2AR-FE) - Service Information & Circuit Tests >> Fuel Injector Circuit >> Wiring Diagram

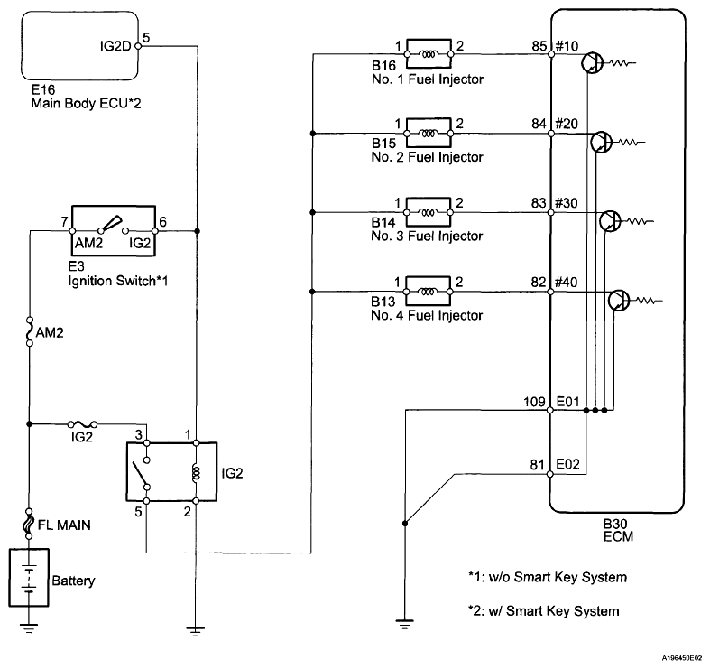
Fuel Injector Circuit: Wiring Diagram

Fig 1: Fuel Injector Circuit - Wiring Diagram
G05996894Courtesy of © TOYOTA, LICENSE AGREEMENT TMS1002