LEMON Manuals: Even more car manuals for everyone
Home >> Toyota >> 2009 >> Prius Base >> Repair and Diagnosis (Single Page) >> Electrical >> Body Electrical >> OEM System Circuits >> Shift Control System >> Notes

Shift Control System: Notes

Fig 1: Shift Control System - Circuit Diagram (1 Of 10)
G07611032Courtesy of © TOYOTA, LICENSE AGREEMENT TMS1002
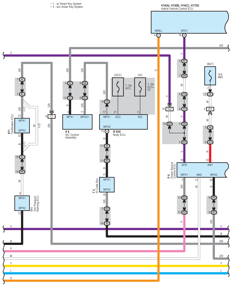
Fig 2: Shift Control System - Circuit Diagram (2 Of 10)
G07611033Courtesy of © TOYOTA, LICENSE AGREEMENT TMS1002
Fig 3: Shift Control System - Circuit Diagram (3 Of 10)
G07611034Courtesy of © TOYOTA, LICENSE AGREEMENT TMS1002
Fig 4: Shift Control System - Circuit Diagram (4 Of 10)
G07611035Courtesy of © TOYOTA, LICENSE AGREEMENT TMS1002
Fig 5: Shift Control System - Circuit Diagram (5 Of 10)
G07611036Courtesy of © TOYOTA, LICENSE AGREEMENT TMS1002
Fig 6: Shift Control System - Circuit Diagram (6 Of 10)
G07611037Courtesy of © TOYOTA, LICENSE AGREEMENT TMS1002
Fig 7: Shift Control System - Circuit Diagram (7 Of 10)
G07611038Courtesy of © TOYOTA, LICENSE AGREEMENT TMS1002
Fig 8: Shift Control System - Circuit Diagram (8 Of 10)
G07611039Courtesy of © TOYOTA, LICENSE AGREEMENT TMS1002
Fig 9: Shift Control System - Circuit Diagram (9 Of 10)
G07611040Courtesy of © TOYOTA, LICENSE AGREEMENT TMS1002
Fig 10: Shift Control System - Circuit Diagram (10 Of 10)
G07611041Courtesy of © TOYOTA, LICENSE AGREEMENT TMS1002