LEMON Manuals: Even more car manuals for everyone
Home >> Toyota >> 2009 >> Matrix S, AWD >> Repair and Diagnosis >> Brakes >> Traction Control >> Brake Control/Dynamic Control System >> Vehicle Stability Control System >> DTC C1249/49 Open in Stop Light Switch Circuit >> Wiring Diagram

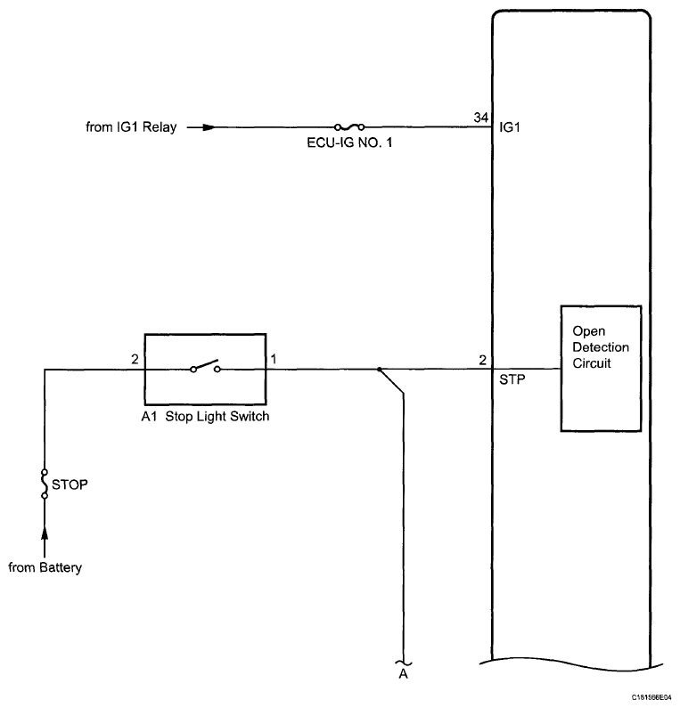
DTC C1249/49 Open in Stop Light Switch Circuit: Wiring Diagram

Fig 1: Stop Light Switch - Wiring Diagram (1 Of 2)
G06035028Courtesy of © TOYOTA, LICENSE AGREEMENT TMS1002
Fig 2: Stop Light Switch - Wiring Diagram (2 Of 2)
G06035029Courtesy of © TOYOTA, LICENSE AGREEMENT TMS1002