LEMON Manuals: Even more car manuals for everyone
Home >> Toyota >> 2009 >> Matrix Base, Standard >> Repair and Diagnosis (Single Page) >> Electrical >> Fuses & Circuit Breakers >> OEM Junction Block, Ecu & Fuse/Relay Locations >> Relay Block Identification >> Engine Room Relay Block Assembly And Engine Room Junction Block Assembly Inner Circuit

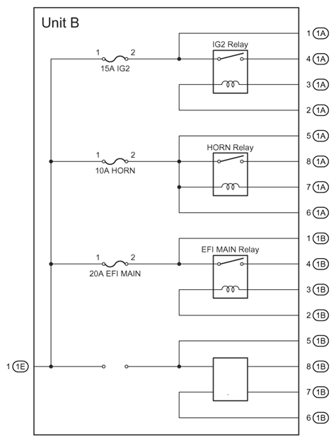
Engine Room Relay Block Assembly And Engine Room Junction Block Assembly Inner Circuit

Fig 1: Engine Room R/B Assembly And Engine Room J/B Assembly Inner Circuit Diagram
G07606179Courtesy of © TOYOTA, LICENSE AGREEMENT TMS1002


Fig 1: Engine Room R/B Assembly And Engine Room J/B Assembly Inner Circuit Diagram With Relays
G07606181Courtesy of © TOYOTA, LICENSE AGREEMENT TMS1002
ENGINE ROOM R/B AND J/B INNER CIRCUIT RELAY IDENTIFICATION

RELAY DESCRIPTION
IG2 Relay
Horn Relay
EFI Relay