LEMON Manuals: Even more car manuals for everyone
Home >> Toyota >> 2009 >> Matrix Base, Standard >> Repair and Diagnosis (Single Page) >> Electrical >> Body Electrical >> OEM System Circuits >> Starting >> Notes

OEM System Circuits: Starting: Notes

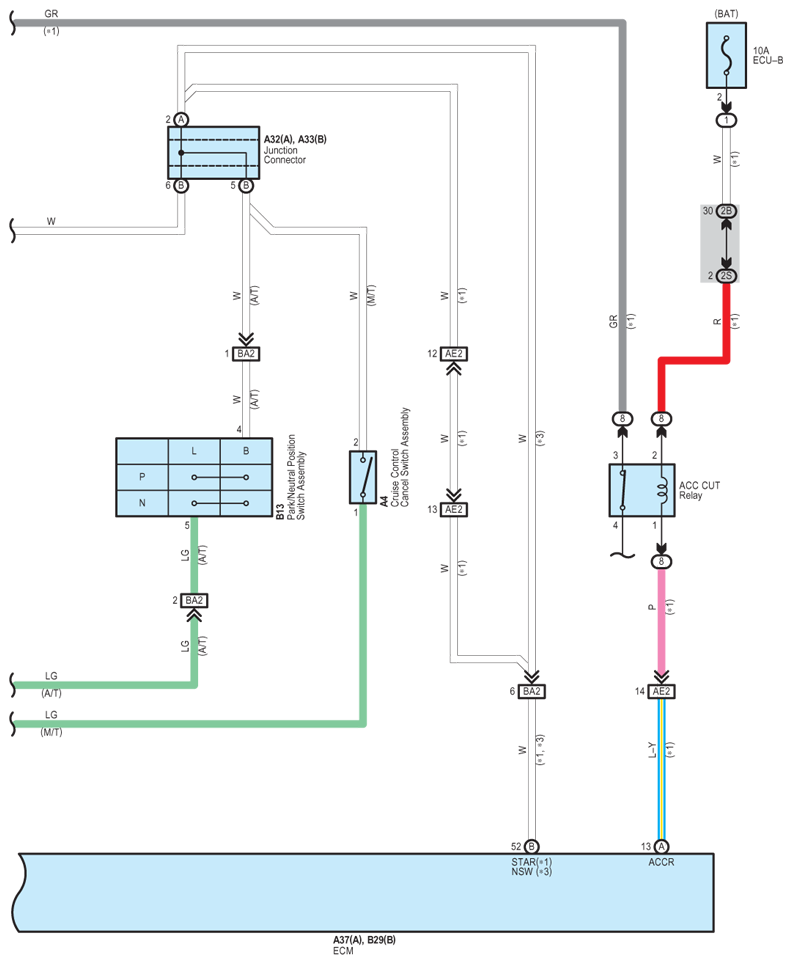
Fig 1: Starting - Circuit Diagram (1 Of 2)
G07606215Courtesy of © TOYOTA, LICENSE AGREEMENT TMS1002
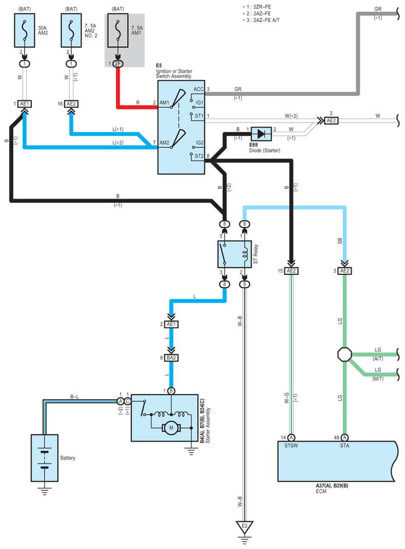
Fig 2: Starting - Circuit Diagram (2 Of 2)
G07606216Courtesy of © TOYOTA, LICENSE AGREEMENT TMS1002