LEMON Manuals: Even more car manuals for everyone
Home >> Toyota >> 2009 >> Matrix Base, Standard >> Repair and Diagnosis (Single Page) >> Electrical >> Body Electrical >> OEM System Circuits >> Ignition >> Notes

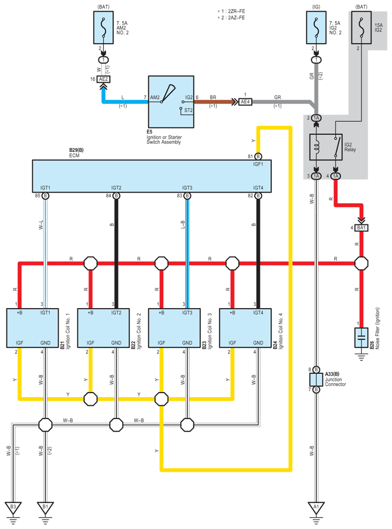
OEM System Circuits: Ignition: Notes

Fig 1: Ignition - Circuit Diagram
G07606217Courtesy of © TOYOTA, LICENSE AGREEMENT TMS1002