LEMON Manuals: Even more car manuals for everyone
Home >> Toyota >> 2009 >> Matrix Base, Automatic >> Repair and Diagnosis >> External Pages >> Different variant/trim >> Section 8 (Engine Control System (2AZ-FE)) >> SFI System >> System Diagram

System Diagram

WARNING: This page is about a different variant/trim than selected.
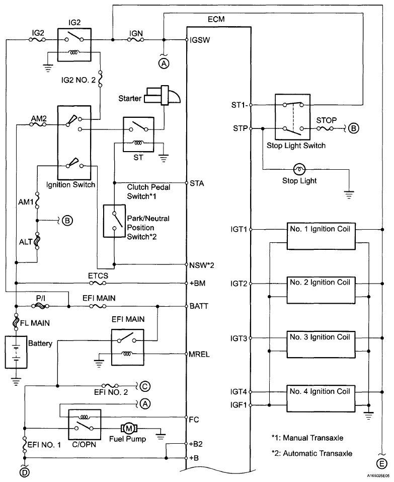
Fig 1: SFI System Diagram (1 Of 3)
G06039953Courtesy of © TOYOTA, LICENSE AGREEMENT TMS1002
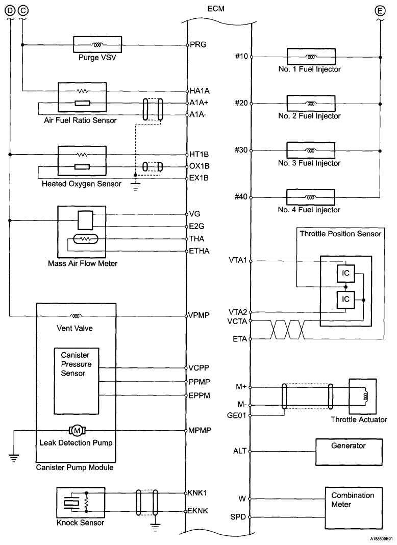
Fig 2: SFI System Diagram (2 Of 3)
G06039954Courtesy of © TOYOTA, LICENSE AGREEMENT TMS1002
Fig 3: SFI System Diagram (3 Of 3)
G06039955Courtesy of © TOYOTA, LICENSE AGREEMENT TMS1002