LEMON Manuals: Even more car manuals for everyone
Home >> Toyota >> 2009 >> Matrix Base, Automatic >> Repair and Diagnosis >> External Pages >> Different variant/trim >> Section 7 (Emission Control System (2AZ-FE)) >> Emission Control System >> System Diagram

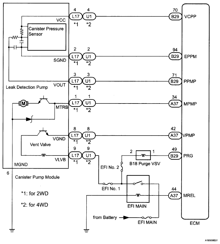
System Diagram

WARNING: This page is about a different variant/trim than selected.
Fig 1: Emission Control System Diagram (1 Of 2)
G06042438Courtesy of © TOYOTA, LICENSE AGREEMENT TMS1002
Fig 2: Emission Control System Diagram (2 Of 2)
G06042439Courtesy of © TOYOTA, LICENSE AGREEMENT TMS1002