LEMON Manuals: Even more car manuals for everyone
Home >> Toyota >> 2009 >> Matrix Base, Automatic >> Repair and Diagnosis >> External Pages >> Different variant/trim >> Section 13 (Transfer Case MF1A/4WD/AWD) >> Active Torque Control 4WD System >> 4WD Warning Light Remains ON >> Wiring Diagram

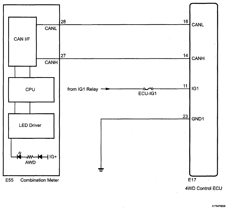
4WD Warning Light Remains ON: Wiring Diagram

WARNING: This page is about a different variant/trim than selected.
Fig 1: 4WD Warning Light Remains ON - Wiring Diagram
G06045828Courtesy of © TOYOTA, LICENSE AGREEMENT TMS1002