LEMON Manuals: Even more car manuals for everyone
Home >> Toyota >> 2009 >> Matrix Base, Automatic >> Repair and Diagnosis >> External Pages >> Different car >> Section 52 (Smart Key System (Keyless Entry) (Diagnostic Codes & Circuit Tests)) >> Smart Key System >> Circuit Tests >> Door Oscillator Circuit >> Wiring Diagram

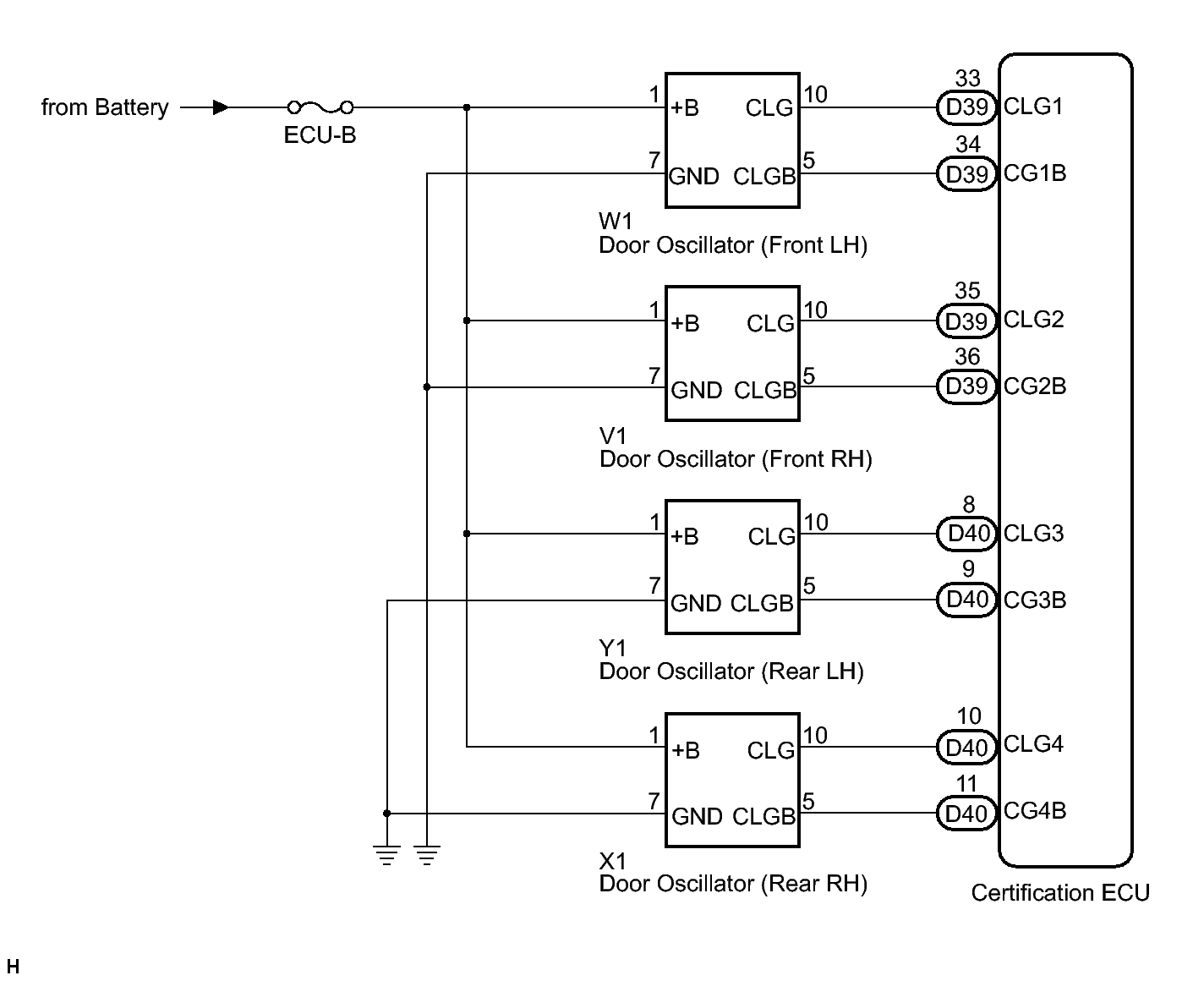
Door Oscillator Circuit: Wiring Diagram

WARNING: This page is about a different car, the 2011 Toyota Avalon. However, it is still accessible from the selected car via links, so may be relevant.
Fig 1: Door Oscillator Circuit - Wiring Diagram
GTY295750Courtesy of © TOYOTA, LICENSE AGREEMENT TMS1002