LEMON Manuals: Even more car manuals for everyone
Home >> Toyota >> 2009 >> Matrix Base, Automatic >> Repair and Diagnosis >> External Pages >> Different car >> Section 33 (Intake System (Inspection)) >> Intake System >> System Diagram >> System Diagram

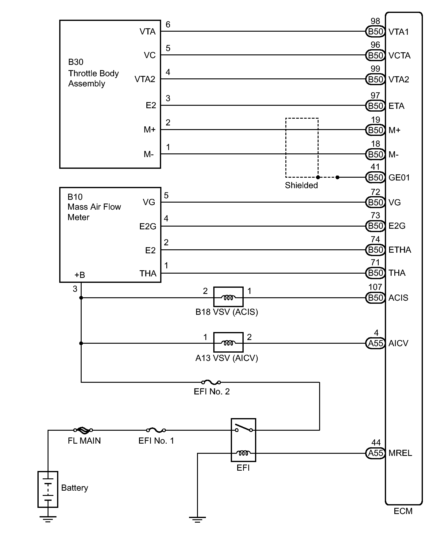
System Diagram

WARNING: This page is about a different car, the 2011 Toyota Avalon. However, it is still accessible from the selected car via links, so may be relevant.
Fig 1: Identifying Intake System Circuit Diagram
GTY303267Courtesy of © TOYOTA, LICENSE AGREEMENT TMS1002